EasyManua.ls Logo

Xtreme TX90 6kVA - Page 24

Xtreme TX90 6kVA
101 pages
Print Icon
To Next Page IconTo Next Page
To Next Page IconTo Next Page
To Previous Page IconTo Previous Page
To Previous Page IconTo Previous Page
Loading...
Xtreme Power Conversion Corporaon
TX90 6kVA & 10kVA Service Manual
Page 24
Uninterrupble Power Supply
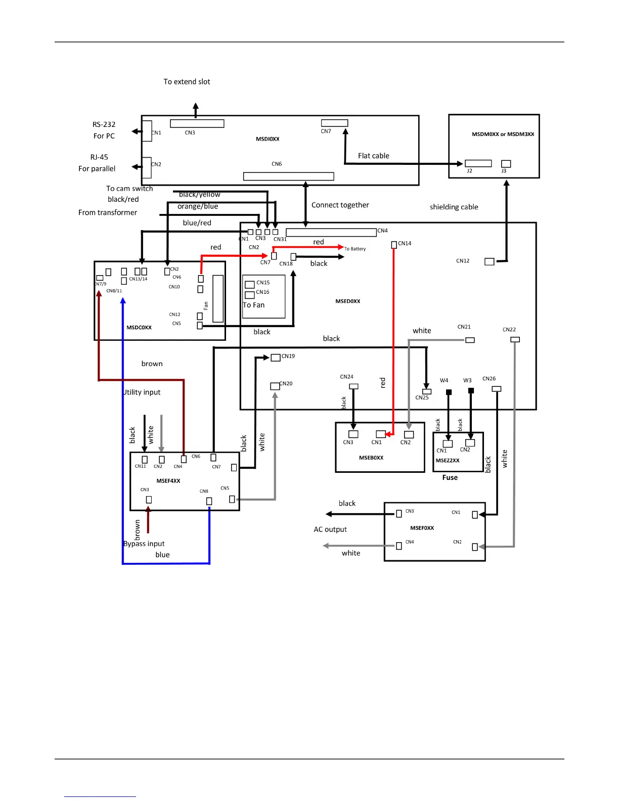
Unit Wiring Diagram of TX90/T90-10K

Related product manuals