EasyManua.ls Logo

Yamaha MX250 - Fuel Tank

Yamaha MX250
124 pages
Print Icon
To Next Page IconTo Next Page
To Next Page IconTo Next Page
To Previous Page IconTo Previous Page
To Previous Page IconTo Previous Page
Loading...
3-4
1
2
3
4
5
6
7
8
9
10
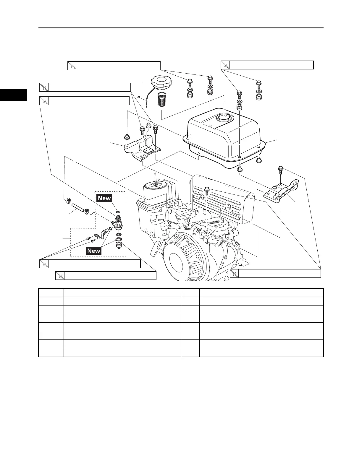
ENGINE
FUEL TANK
FUEL TANK
Order Job/Parts to remove Q’ty Remarks
Removing the fuel tank Remove the parts in the order listed.
1 Fuel hose 1 Turn the fuel cock lever to the “OFF” position.
2Fuel tank 1
3 Fuel tank stay 1 1
4 Fuel tank stay 2 1
5 Fuel tank cap 1
6 Fuel cock assembly 1
3
2
4
5
6
1
10 N · m (1.0 kgf · m, 7.4 lb · ft)
10 N · m (1.0 kgf · m, 7.4 lb · ft)
0.8 N · m (0.08 kgf · m, 0.59 lb · ft)
1.3 N · m (0.13 kgf · m, 0.95 lb · ft)
29 N · m (2.9 kgf · m, 21 lb · ft)
29 N · m (2.9 kgf · m, 21 lb · ft)
6 N · m (0.6 kgf · m, 4.4 lb · ft)

Table of Contents

Related product manuals