EasyManua.ls Logo

Yamaha MX250 - Wire Routing Diagrams

Yamaha MX250
124 pages
Print Icon
To Next Page IconTo Next Page
To Next Page IconTo Next Page
To Previous Page IconTo Previous Page
To Previous Page IconTo Previous Page
Loading...
7-12
1
2
3
4
5
6
7
8
9
10
SPECIFICATIONS
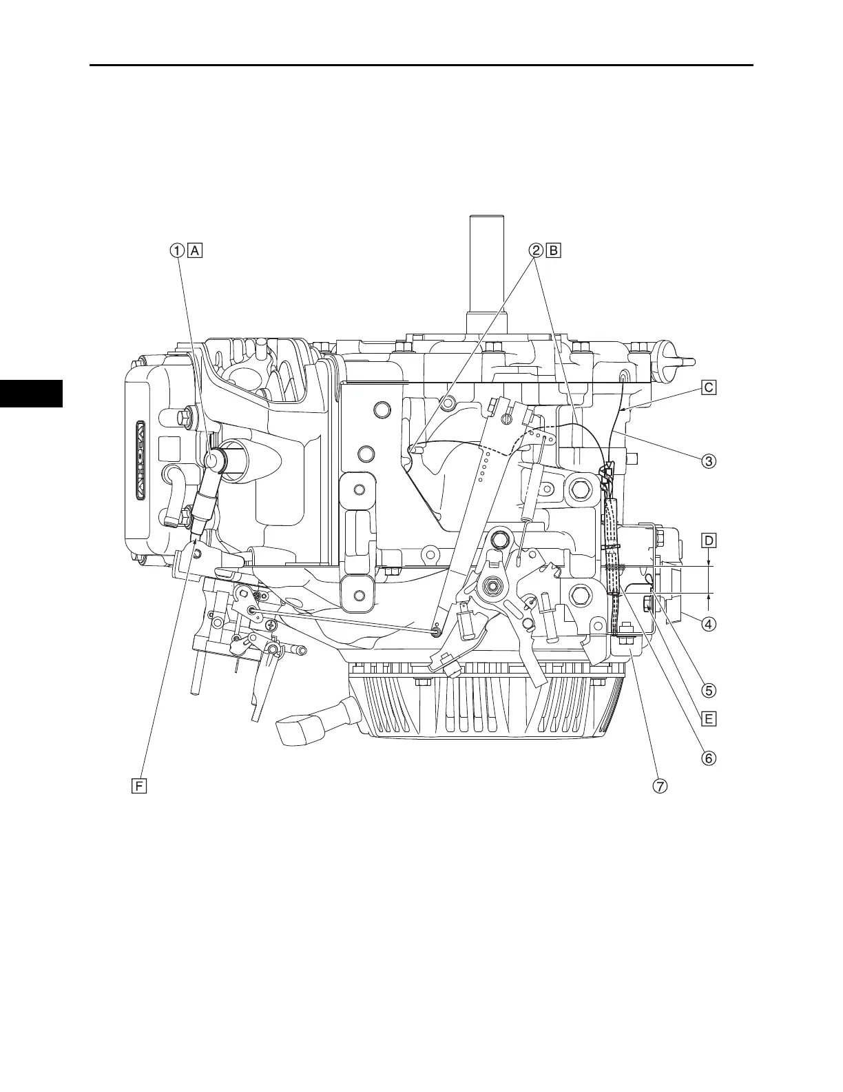
WIRE ROUTING DIAGRAM
WIRE ROUTING DIAGRAM
UPPER SIDE VIEW

Table of Contents

Related product manuals