EasyManua.ls Logo

ABB FSO-21 - Page 194

ABB FSO-21
540 pages
Print Icon
To Next Page IconTo Next Page
To Next Page IconTo Next Page
To Previous Page IconTo Previous Page
To Previous Page IconTo Previous Page
Loading...
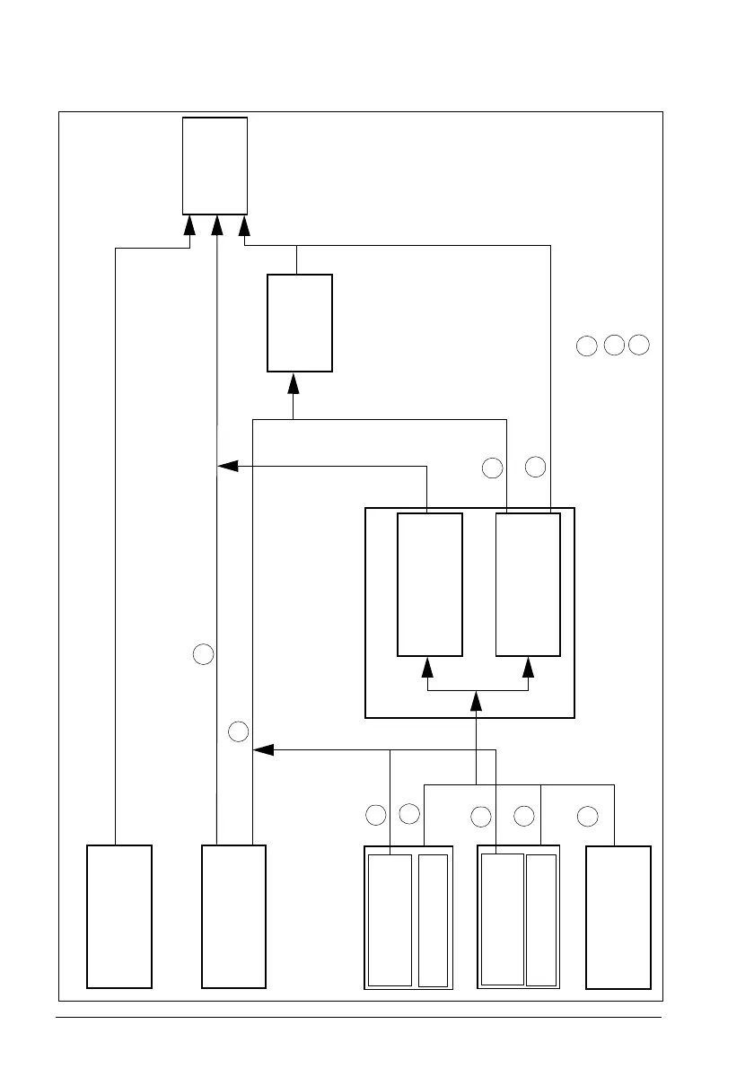
194 Safety functions
Time monitoring /
Ramp monitoring
with SAR1 ramp
3
2
SS1
1
SSE
2
3
SMS
SLS1...4, Variable SLS
POUS
FSO STO
Drive STO
Time monitoring /
Ramp monitoring
with SAR0 ramp
Immediate STO
Emergency ramp
3
Monitoring limit hit
Zero speed limit reached
1
Trip limit hit
2
3
1
SDI
2
Time monitoring
Ramp monitoring
with SAR1 ramp
Ramp monitoring
with SAR1 ramp
3
Time monitoring

Table of Contents

Related product manuals