EasyManua.ls Logo

ABB IRB 460 Series - Page 67

ABB IRB 460 Series
398 pages
To Next Page IconTo Next Page
To Next Page IconTo Next Page
To Previous Page IconTo Previous Page
To Previous Page IconTo Previous Page
Loading...
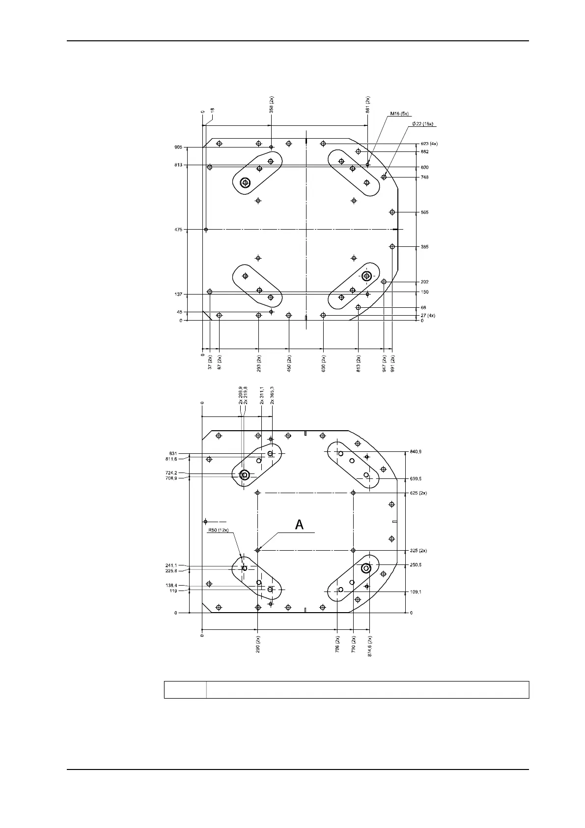
xx0400000715
Four holes for alternative clamping, 4x Ø18A
Continues on next page
Product manual - IRB 460 67
3HAC039842-001 Revision: P
© Copyright 2012-2018 ABB. All rights reserved.
2 Installation and commissioning
2.3.5 Securing the base plate
Continued

Table of Contents

Related product manuals