EasyManua.ls Logo

ABB XIO-08 - Page 30

ABB XIO-08
197 pages
Print Icon
To Next Page IconTo Next Page
To Next Page IconTo Next Page
To Previous Page IconTo Previous Page
To Previous Page IconTo Previous Page
Loading...
30 | XIO USER MANUAL | 2106424MNAA
NOTICE
Equipment damage. Do not push the ferrules too hard into the terminal connector. This
can
damage the connector or the ferrule.
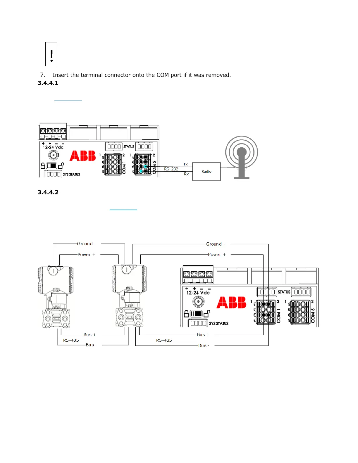
Wire remote communications equipment (radio)
The serial communication (COM) ports can be wired with remote communication equipment, such as a
radio. Figure 3-3
shows the connection between radio equipment and one of the COM ports. In this
example, the COM port is configured as an RS-232 port, which provides point-to-point communication.
Figure 3-3: Serial communication with radio equipment
Wire multiple peripheral measurement devices
The controller serial communication (COM) ports can connect to peripheral measurement devices, such as
multivariable transmitters. Figure 3-4
shows the connection between one of the COM ports and two
multivariable transmitters. In this example, the COM port is configured as an RS-485 port, which provides
both point-to-point or multi-point communication. The example shows the two transmitters connected to
the controller for communication and power. This is controlled by the comm application using SW VOUT.
Figure 3-4: COM 1 for RS-485 communication with multiple devices

Table of Contents

Related product manuals