EasyManua.ls Logo

AIRSYS UNICOOL 11V1T3 - Controller Box Installation

AIRSYS UNICOOL 11V1T3
112 pages
Print Icon
To Next Page IconTo Next Page
To Next Page IconTo Next Page
To Previous Page IconTo Previous Page
To Previous Page IconTo Previous Page
Loading...
Contact: AIRSYS North America Phone: (855) 874-5380 Page 27 of 112
Email: ASNSupport@air-sys.com Web: http://airsysnorthamerica.com Rev 1.15
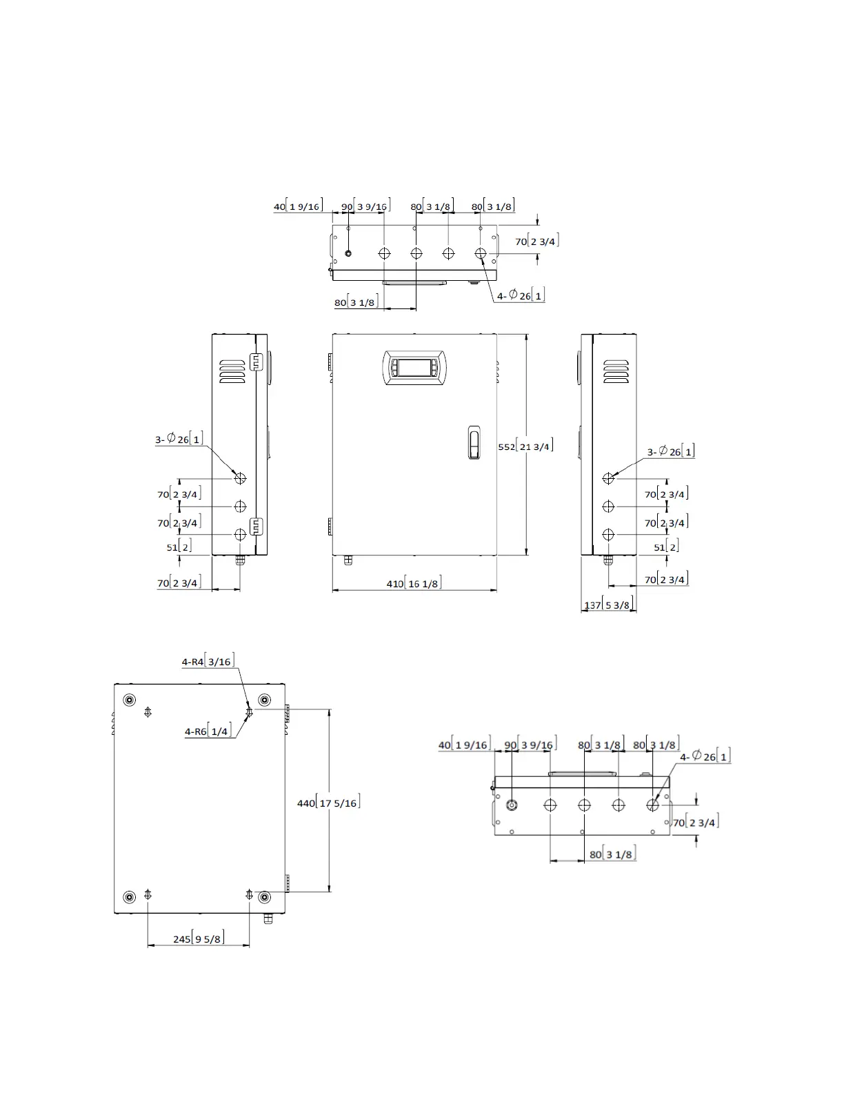
Controller Box Installation
Find a suitable location inside the shelter to mount the controller box. Mount the controller box so that
the PGD is near the eye level of the intended operator.
Figure 13: Controller Box Dimensions

Table of Contents

Related product manuals