EasyManua.ls Logo

Amada IS-300A - Page 86

Amada IS-300A
127 pages
Print Icon
To Next Page IconTo Next Page
To Next Page IconTo Next Page
To Previous Page IconTo Previous Page
To Previous Page IconTo Previous Page
Loading...
IS-300A
6. Interface
6-10
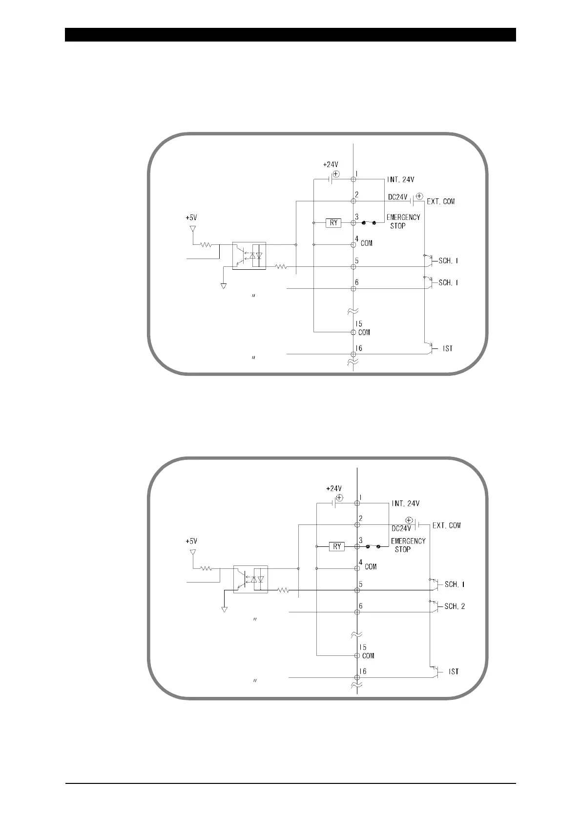
3 Connection with equipment featuring PNP current output (when using external
power supply)
Connect the negative side of an external 24
V DC power supply to pin 2.
(Internal) (External)
Internal power supply
4 Connection with equipment featuring NPN open collector output (when using
external power supply)
Connect the positive side of an external 24
V DC power supply to pin 2.
(Internal) (External)
Internal power suppl
y
(Note) The circuit between pins 1-2-3, 4-5, 18-19-20, and 21-22 are closed when
shipped. Disconnect unnecessary jumper wires referring to each connection.

Table of Contents

Related product manuals