EasyManua.ls Logo

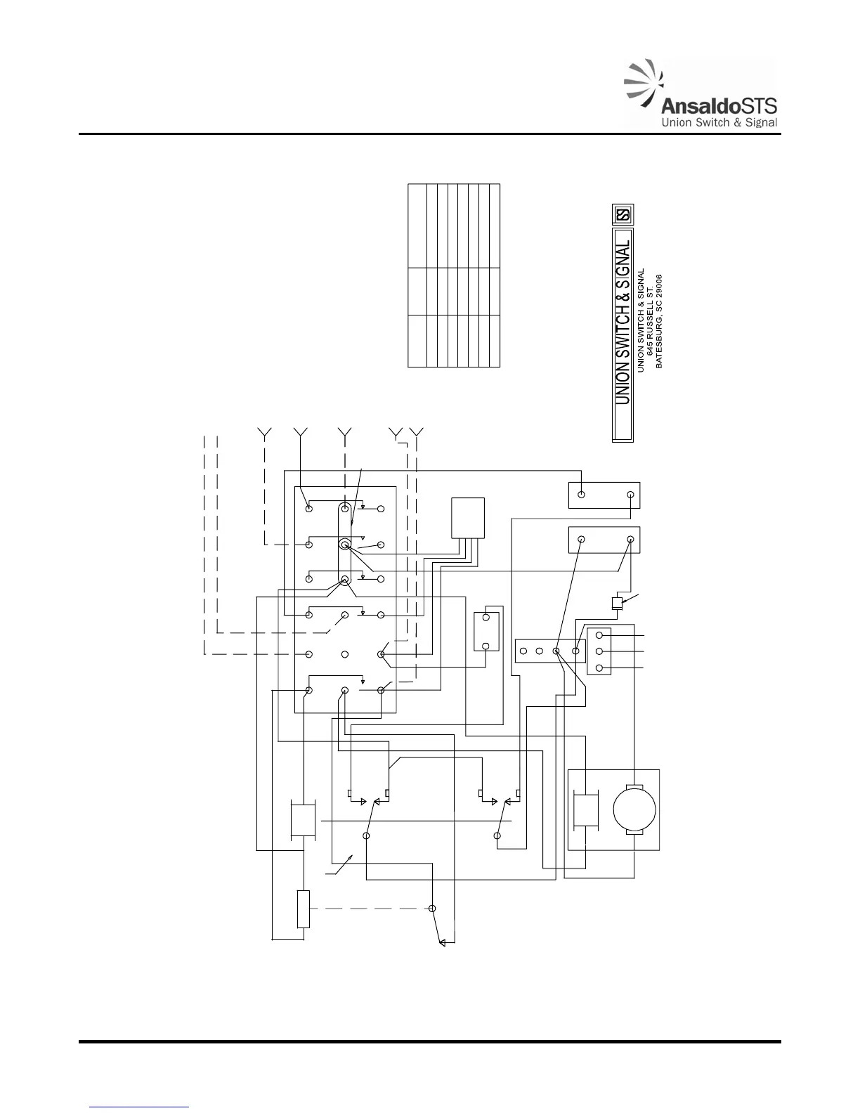
AnsaldoSTS 95 - Figure 2-7 - Wiring Diagram for Pedestrian Mechanism 12-Volt Systems Without Maintenance Switch

Default Icon
100 pages
Print Icon
To Next Page IconTo Next Page
To Next Page IconTo Next Page
To Previous Page IconTo Previous Page
To Previous Page IconTo Previous Page
Loading...
General Maintenance and Troubleshooting
2-14 SM 6495, Rev. 7, December 2008
BELL
46 - 93 DEG
5 - 93 DEG
0 - 5 DEG
83 - 90 DEG
3
4
5
6
NOTE 1:
DOWN IND.
NOTE 2:
ADD JUMPER 2C-5C FOR GATE
RES
RES
SNUB
R2 R3
LIM
5C
4B
3A
4C
3B
2A
3C
1A
2B
2C
1B
+
A1
1C
C7/
MCR
A7
-
C1
(F1/F2)
4A
C9/
A9
C8/
A8
(H1/H2)
R4
DIODE
SNUB
R1
OTOR
M
-
+
GATE DN IND
MOTOR DN
FLASH'G LIGHT
VACANT SLOT
0 - 89 DEG
FOR NON-VITAL RELAY.
MOTOR UP
(B2)
BAT
ADD JUMPER 2C-6C FOR POS.
XRP OR 4B-6C FOR NEG. XRP.
5A 6A
RELAY TERMINATIONS AS SHOWN
LETTERS IN PARENTHESIS ARE
DASHED WIRES INDICATE USER
NOTE 3:
FUNCTION
SEE NOTE 4.
MODEL 95 GATE MECHANISM WIRING DIAGRAM
FOR STD. UNITS WITHOUT MAINT. SWITCH
2
CLOSED
1 FRONT
CONTACT
T4
CONTROL
T7
MODULE
DOWN
POWER
AUX
BREAKER
CIRCUIT
A12
C12/
(F3/F4)
A10
C10/
(RED)
(BLU)
GATE DOWN
OPTIONAL
HEATER
}
INDICATION
XRP
(SEE NOTE 1)
N12
(SEE NOTE 2)
TEST LINK BETWEEN 5B & 6B
OPENS WITH GOLD NUT LOOSENED.
6B
6C
5B
ARE FOR PN-150HD.
(BRAKE)
NOTE 4:
WIRING.
HC
T5
T6
UP
B12
(B4)
(H3/H4)
A11
C11/
T2T3
T1
LABEL PART NO. M46705201 /
SPARE TERM'S
(MAY BE USED FOR ARM LIGHTS)
BOSCH
(BLK)
(WHT)
US&S DWG. B467172 REV. 0
UG0106.0031.00
467172, R0
Figure 2-7 - Wiring Diagram for Pedestrian Mechanism 12-Volt Systems without
Maintenance Switch

Table of Contents