EasyManua.ls Logo

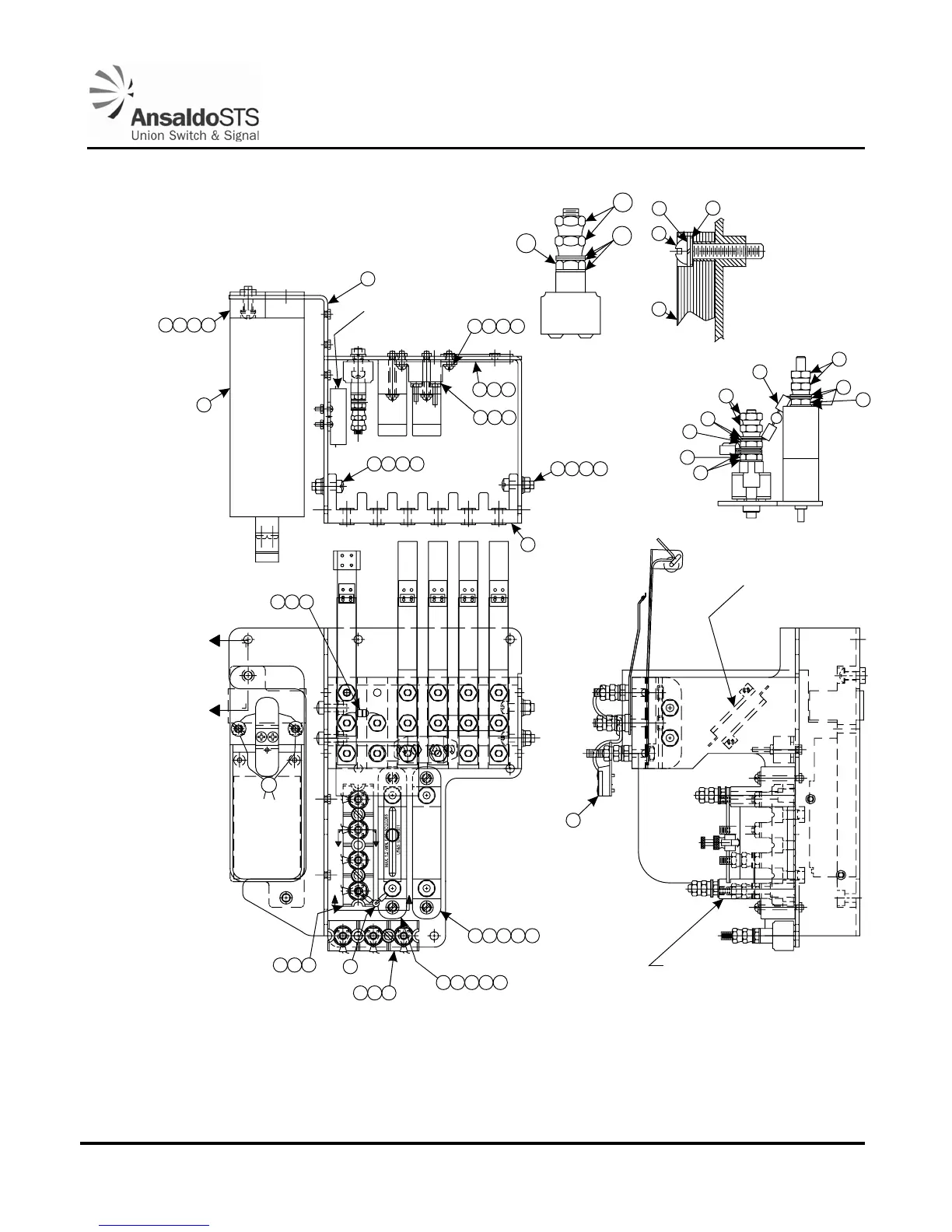
AnsaldoSTS 95 - Figure 5-10 - Model 95 Gate Mechanism Electrical Assembly with PN-150 Relay (12-Volt Systems)

Default Icon
100 pages
Print Icon
To Next Page IconTo Next Page
To Next Page IconTo Next Page
To Previous Page IconTo Previous Page
To Previous Page IconTo Previous Page
Loading...
Parts List
SM 6495, Rev. 7, December 2008 5-19
25 101520
50
SECTION "A-A"
FOR REF. ONLY
HEATER KIT
TO BE ORDERED
SEPARATELY
MAKE CERTAIN RESISTOR END WITH
INSULATED TERMINAL POST IS
ORIENTED DOWNWARD.
FOR REF. ONLY
HEATER KIT
TO BE ORDERED
SEPARATELY
30
25
15
20
5
120
125
SEE
SECTION
"A-A"
"A"
"A"
130
10
SECTION "B-B"
SCALE: 2:1
200
42 75 205 60 65
40 75 205 60 65
4570155
35 265 65 205
175170150
191120155165
300305310
B
B
32570155
330 120155 165
280285
275
SECTION C-C
C
C
120
120
120
125
125
130
130
200
125
65
5A1.0003.00
467821
Figure 5-10 - Model 95 Gate Mechanism Electrical Assembly with PN-150 Relay
(12-Volt Systems)

Table of Contents