EasyManua.ls Logo

AnsaldoSTS 95 - Page 84

Default Icon
100 pages
Print Icon
To Next Page IconTo Next Page
To Next Page IconTo Next Page
To Previous Page IconTo Previous Page
To Previous Page IconTo Previous Page
Loading...
Parts List
5-28 SM 6495, Rev. 7, December 2008
SECTION "A-A"
SCALE: 2:1
125
130
120
5
55
10
290
OR
60 65
DETAIL "B"
FOR REF. ONLY
HEATER KIT
TO BE ORDERED
SEPARATELY
MAKE CERTAIN RESISTOR END WITH
INSULATED TERMINAL POST IS
ORIENTED DOWNWARD.
275
10
290
OR
191120155165
55
5
330 120155 165
30
175170150
190
35
265205
280 285
A A
300305310
4570155
32570155
40 75 205
42 75 205
C
C
200
130
120
125
200
130
120
125
SECTION C-C
125
5A1.0005.00
467820
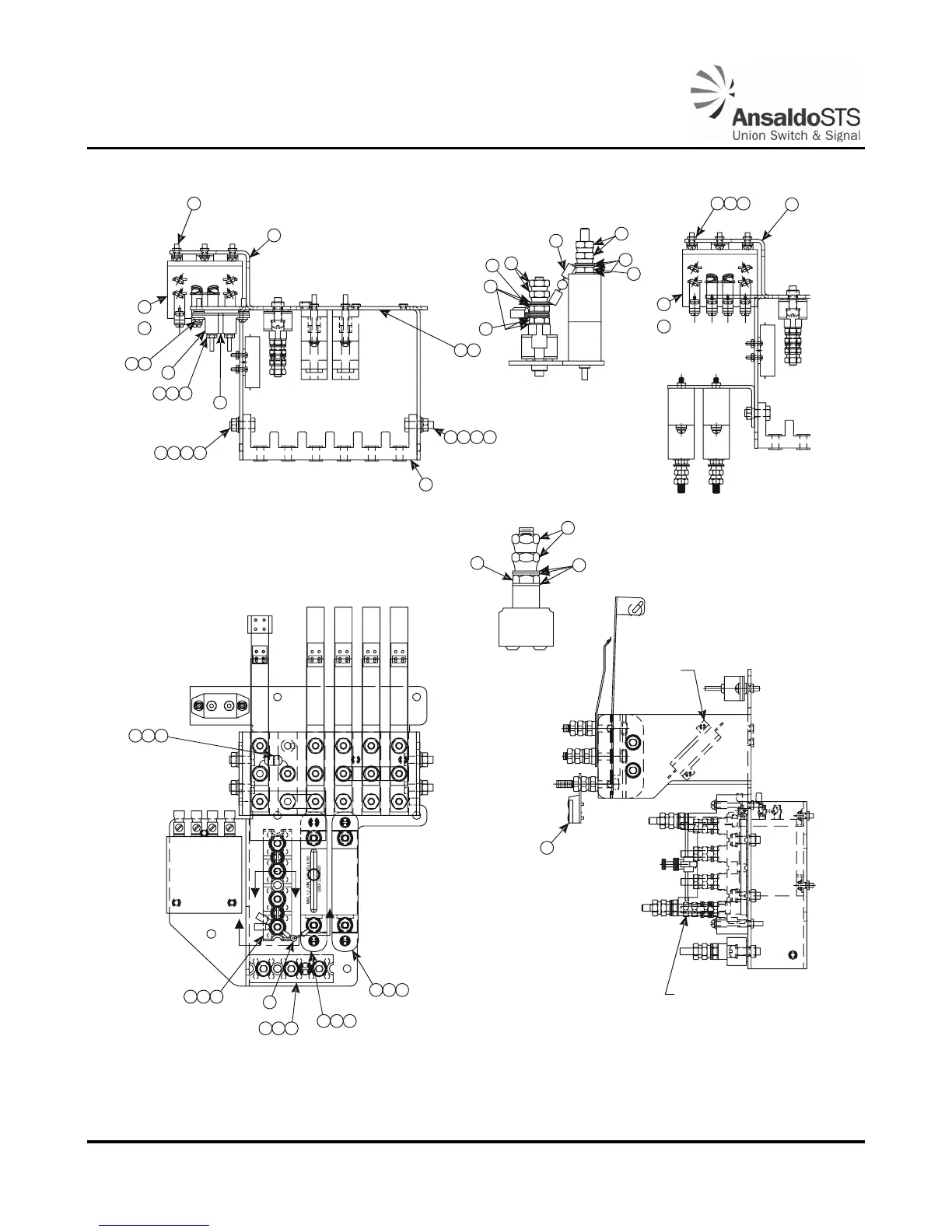
Figure 5-13 - Model 95 Gate Mechanism Electrical Assembly with Non-Vital Relay
(24-Volt Systems)

Table of Contents