EasyManua.ls Logo

Audison bit Tune - System Sensitivity Level Calibration (with Processor)

Audison bit Tune
100 pages
Print Icon
To Next Page IconTo Next Page
To Next Page IconTo Next Page
To Previous Page IconTo Previous Page
To Previous Page IconTo Previous Page
Loading...
USER’S MANUAL / bit Tune /
58
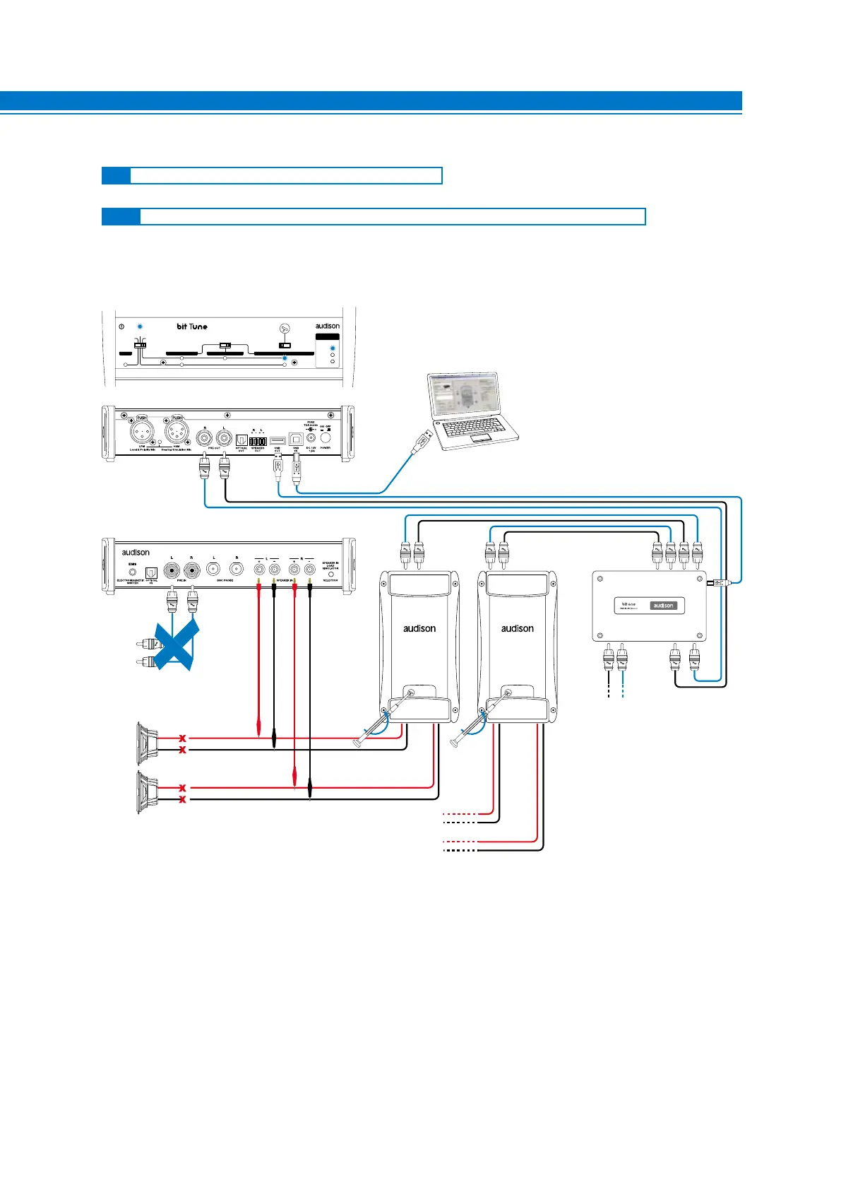
This section describes the steps for calibrating the sensitivity levels of the amplifiers.
The operation is performed with a system that includes an Audison bit processor, appropriately configured.
EMS
PC ANALYZER
LINE NOISE
POWER
SEGNAL INPUT
SELECT
RIGHT
VOLUME
MONITOR
47 OHM
SPK SYM
NO LOAD
LEFT
PRE IN BNCSPK INPROBE
MIN •• MAX
LOAD SIMULATOR
SPEAKER IN
LEVEL LEVEL
DISCONNECT
THE SPEAKER
SIGNAL
INPUTS
AUX 1
INPUTS
PRE
INPUTS
DON’T CONNECT
PRE IN CABLE INPUTS
WHEN USING SPK IN INPUTS
Fig 1
7
7.4.1 SETTING THE SENSITIVITY LEVEL OF AMPLIFIERS WITH AN AUDISON BIT PROCESSOR
7.4 CALIBRATION OF THE SYSTEM’S SENSITIVITY LEVEL

Table of Contents