EasyManua.ls Logo

Big Joe CB33 - Page 92

Big Joe CB33
170 pages
Print Icon
To Next Page IconTo Next Page
To Next Page IconTo Next Page
To Previous Page IconTo Previous Page
To Previous Page IconTo Previous Page
Loading...
12-14 BL-CB33-0115 - 03-01-2018
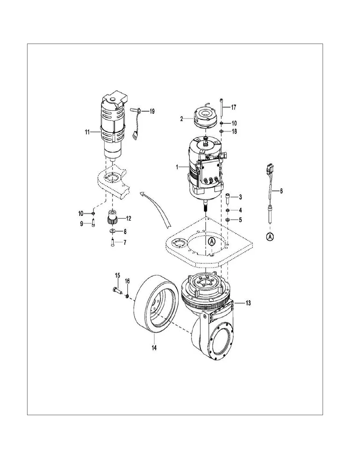
Figure 12-6 Drive Assembly - Used between serial # S2410420 and 325130600
DP_0028

Table of Contents

Other manuals for Big Joe CB33

Related product manuals