EasyManua.ls Logo

Bosch Rexroth IndraDrive X - Page 82

Bosch Rexroth IndraDrive X
140 pages
Print Icon
To Next Page IconTo Next Page
To Next Page IconTo Next Page
To Previous Page IconTo Previous Page
To Previous Page IconTo Previous Page
Loading...
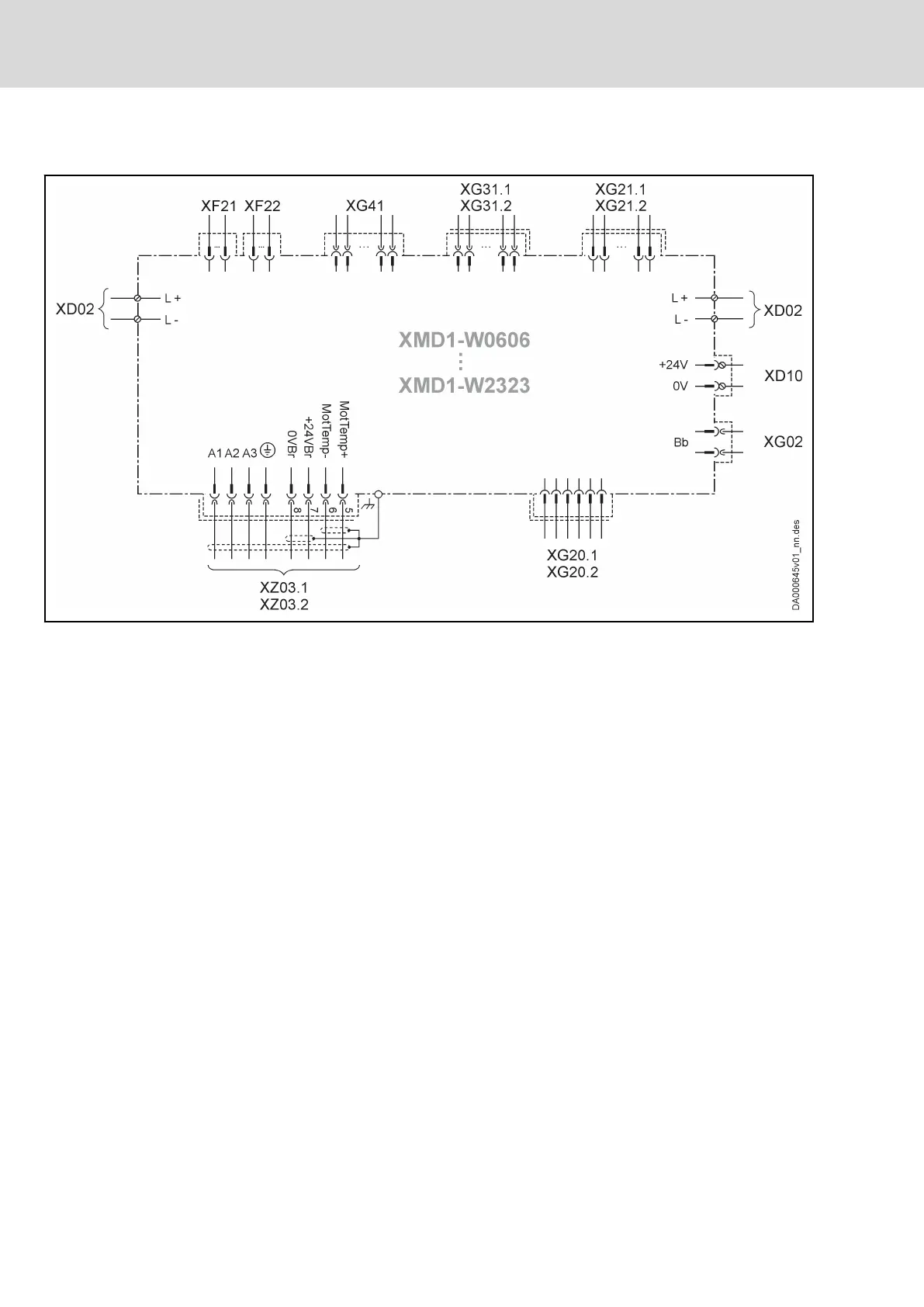
Overall connection diagram XMD1-W0606 … W2323
XD02 DC bus
XD10 Control voltage
XF21, XF22 Communication
XG02 Ready for operation relay contact
XG20 Digital encoder
XG21 Multi-encoder (optional)
XG31 Digital inputs/outputs; analog input
XG41 Safety technology
XZ03 Motor, motor temperature monitoring, motor holding brake
Fig. 10-12: Overall connection diagram XMD1-W0606 … W2323
Symbols: See chapter "Symbols (connection diagram)" on page 69
66/123
Mounting, dismounting and electrical installation
IndraDrive X Drive Controllers Power Sections XCS1, XMD1,
XMQ1
Bosch Rexroth AG R911392532_Edition 01

Table of Contents

Related product manuals