EasyManua.ls Logo

Brother 2104D - Rear Cover Assy

Brother 2104D
87 pages
Print Icon
To Next Page IconTo Next Page
To Next Page IconTo Next Page
To Previous Page IconTo Previous Page
To Previous Page IconTo Previous Page
Loading...
Disassembly
2 - 9
Disassembly
Disassembly
Main frame / Covers / Upper thread guide
5
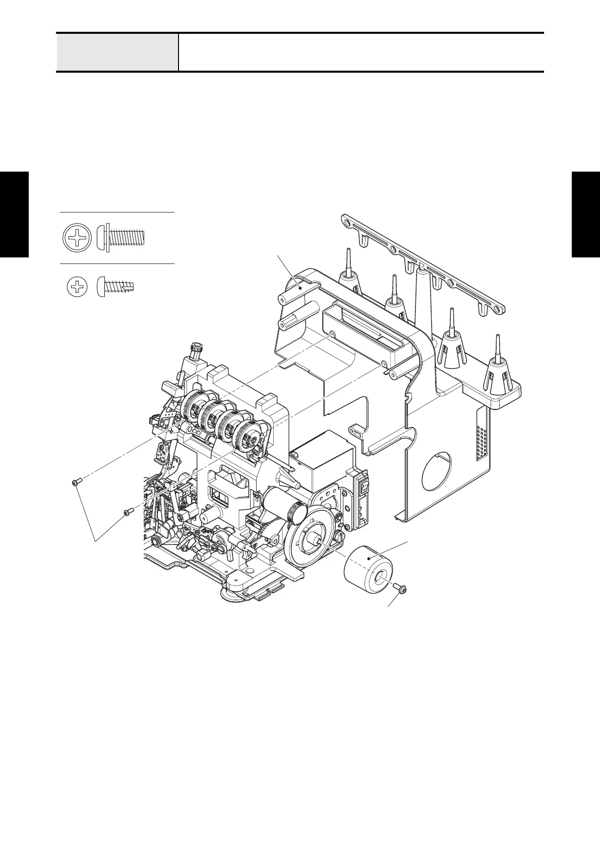
Rear cover assy
1. Remove the screw (set screw) to remove the hand wheel.
2. Remove the two screws (tapping screw, pan V M4x10) to remove the rear cover assy.
Fig. 2-7
Set Screw
Tapping screw, pan V M4X10
Hand wheel
Set screw
Tapping screw,
pan V M4x10
Rear cover assy

Table of Contents

Related product manuals