EasyManua.ls Logo

Brother 2104D - UL Lever

Brother 2104D
87 pages
Print Icon
To Next Page IconTo Next Page
To Next Page IconTo Next Page
To Previous Page IconTo Previous Page
To Previous Page IconTo Previous Page
Loading...
Disassembly
2 - 30
Disassembly
Disassembly
Upper blade / Lower blade / Looper
6
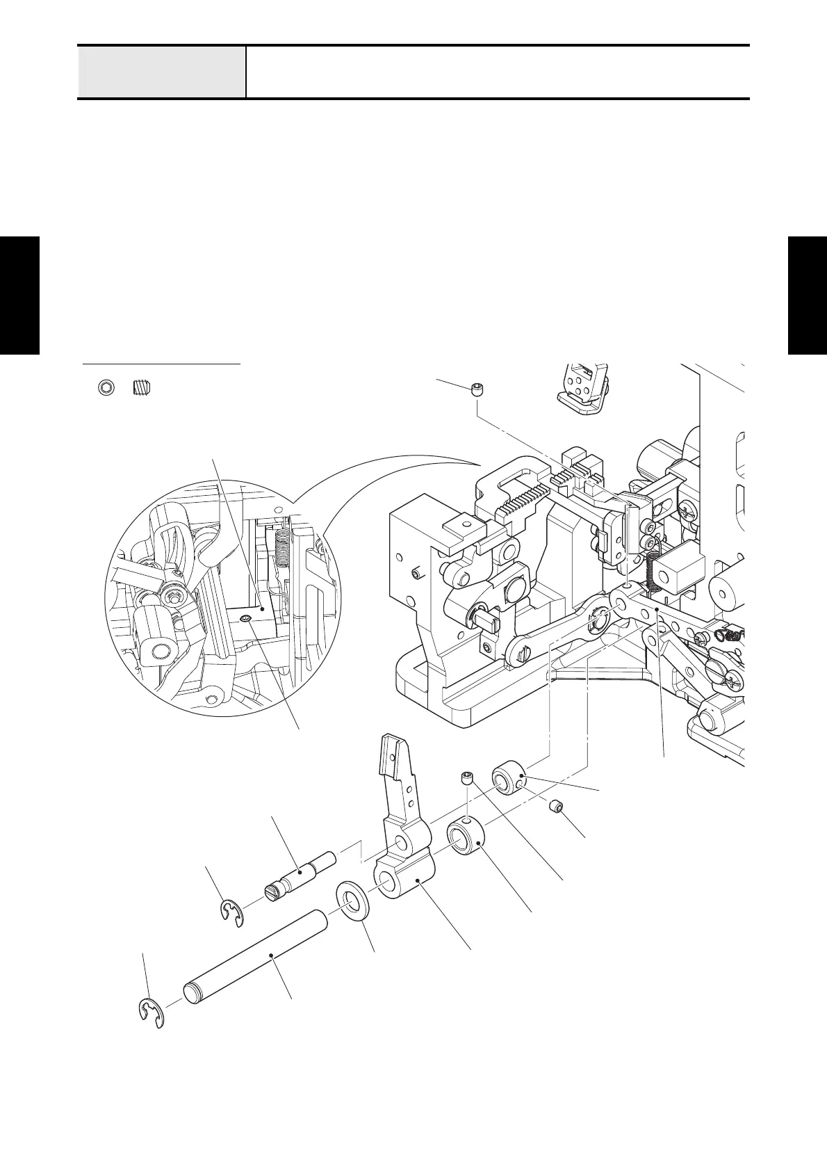
UL lever
1. Remove the screw (set screw, socket (CP) M4x4) from the UL link. Remove the screw (set screw,
socket (CP) M4x4) from the arm bed. Remove the UL lever.
*Assembling note
Fully tighten the screw after performing "Front / back position of lower looper adjustment".
2. Remove the screw (set screw, socket (CP) M4x4) to pull out the UL link shaft from the UL collar and the
UL lever.
3. Remove the retaining ring E5 from the UK link shaft.
4. Remove the screw (set screw, socket (CP) M4x4) to pull out the UL lever shaft from the collar, the UL
lever and the washer plain S8.
5. Remove the retaining ring E6 from the UL lever shaft.
Fig. 2-6
Set Screw, Socket (CP) M4X4
Set screw, socket (CP) M4x4
UL link
UL lever
Collar
UL collar
Set screw, socket (CP) M4x4
Set screw, socket (CP) M4x4
UL link shaft
Retaining ring E5
UL lever shaft
Washer plain S8
Retaining ring E6
Set screw, socket
(CP) M4x4
Arm bed

Table of Contents

Related product manuals