EasyManua.ls Logo

Brother 2104D - Looper Thread Take-Up

Brother 2104D
87 pages
Print Icon
To Next Page IconTo Next Page
To Next Page IconTo Next Page
To Previous Page IconTo Previous Page
To Previous Page IconTo Previous Page
Loading...
Disassembly
2 - 16
Disassembly
Disassembly
Main frame / Covers / Upper thread guide
8
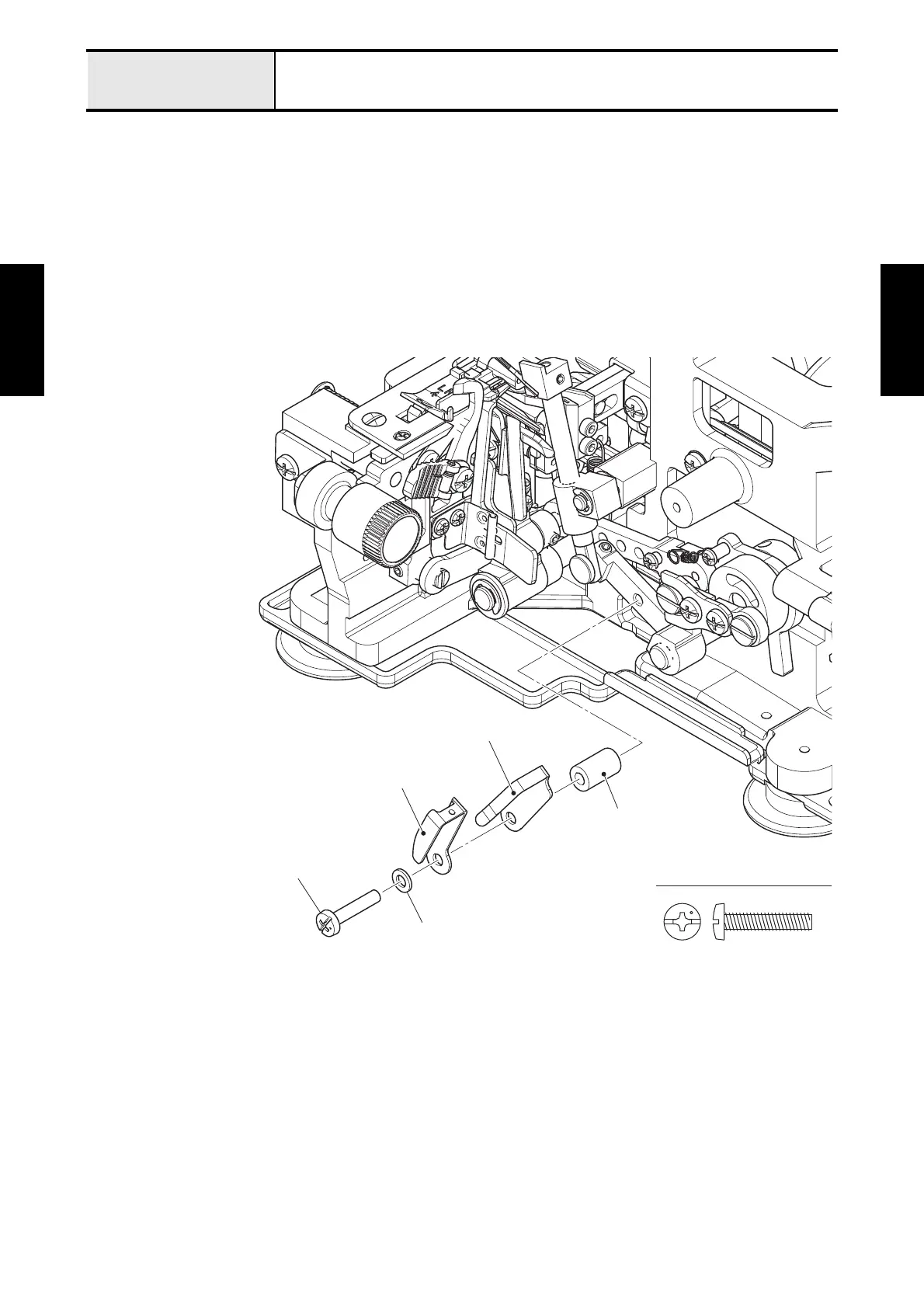
Looper thread take-up
1. Remove the screw (screw, bind M4x20) to remove the washer spring 2-4, the looper thread take-up B,
the looper thread take-up A and the looper take-up stand.
*Assembling note
Fully tighten the screw after performing "Looper take-up position adjustment".
Fig. 2-14
Screw, Bind M4X20
Screw, bind M4x20
Washer spring 2-4
Looper thread take-up B
Looper thread take-up A
Looper take-up stand

Table of Contents

Related product manuals