EasyManua.ls Logo

Brother 2104D - Lower Knife Holder Assy

Brother 2104D
87 pages
Print Icon
To Next Page IconTo Next Page
To Next Page IconTo Next Page
To Previous Page IconTo Previous Page
To Previous Page IconTo Previous Page
Loading...
Disassembly
2 - 27
Disassembly
Disassembly
Upper blade / Lower blade / Looper
3
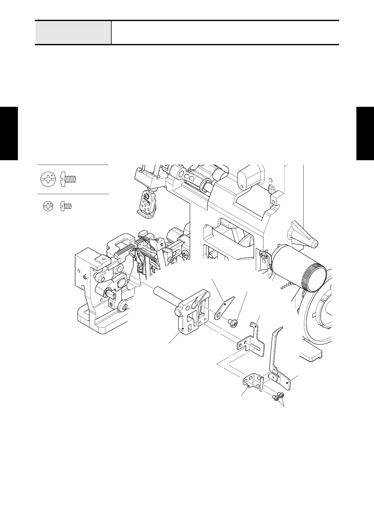
Lower knife holder assy
1. Remove the screw (screw, bind M4x6) to remove the lower knife from the lower knife holder assy.
*Assembling note
Fully tighten the screw after performing "Lower knife / Upper knife position adjustment".
2. Remove the two screws (screw, pan M3x4) to remove the stitch tongue spring, the stitch tongue and
the stitch tongue stand from the lower knife holder assy.
3. Remove the lower knife holder assy.
Fig. 2-3
Screw, Bind M4X6
Screw, Pan M3X4
Lower knife
Screw, bind M4x6
Lower knife holder assy
Screw, pan M3x4
Stitch tongue spring
Stitch tongue
Stitch tongue
stand

Table of Contents

Related product manuals