EasyManua.ls Logo

Brother 2104D - Hand Wheel Assy

Brother 2104D
87 pages
Print Icon
To Next Page IconTo Next Page
To Next Page IconTo Next Page
To Previous Page IconTo Previous Page
To Previous Page IconTo Previous Page
Loading...
Disassembly
2 - 44
Disassembly
Disassembly
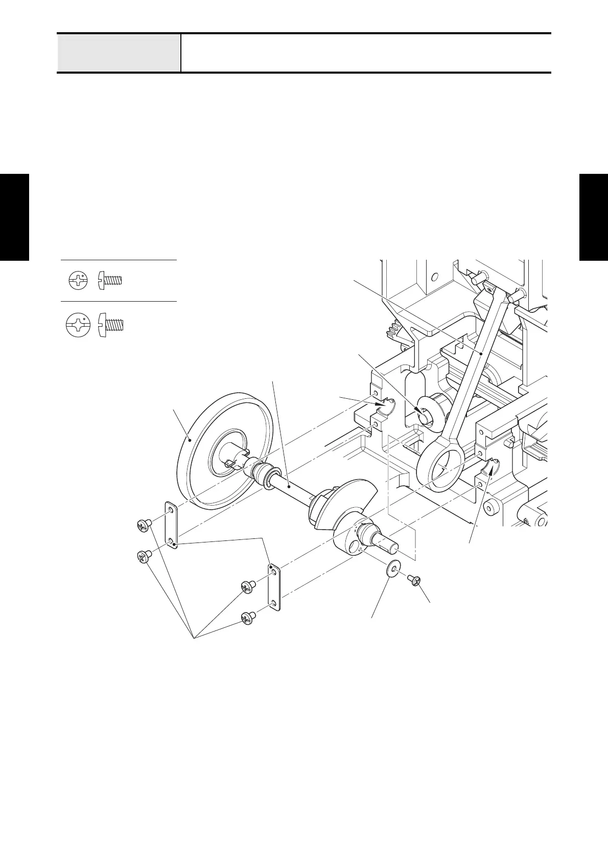
Driving mechanism
1
Hand wheel assy
1. Remove the screw (screw, bind M3x6) to remove the washer plain L4.
2. Remove the four screws (screw, bind M4x6) to remove the two bushing stoppers.
3. Remove the hand wheel assy from the mounting positions, and pull out it from the needle bar rod.
*Assembling note
Check that the looper driving shaft assy and the driving shaft assy is not a wobble, and it moves smoothly.
Fig. 2-1
Screw, Bind M3X6
Screw, Bind M4X6
Screw, bind M3x6
Screw, bind M4x6
Washer plain L4
Bushing stopper
Hand wheel assy
Needle bar rod
Mounting
position
Mounting position
Driving shaft assy
Looper driving shaft assy

Table of Contents

Related product manuals