EasyManua.ls Logo

Canon PC920 - Image Formation System Block Diagram

Canon PC920
393 pages
Print Icon
To Next Page IconTo Next Page
To Next Page IconTo Next Page
To Previous Page IconTo Previous Page
To Previous Page IconTo Previous Page
Loading...
CHAPTER 4 IMAGE FORMATION SYSTEM
COPYRIGHT
©
1999 CANON INC. CANON PC800s/900s REV.0 AUG. 1999 PRINTED IN JAPAN (IMPRIME AU JAPON)
4-2
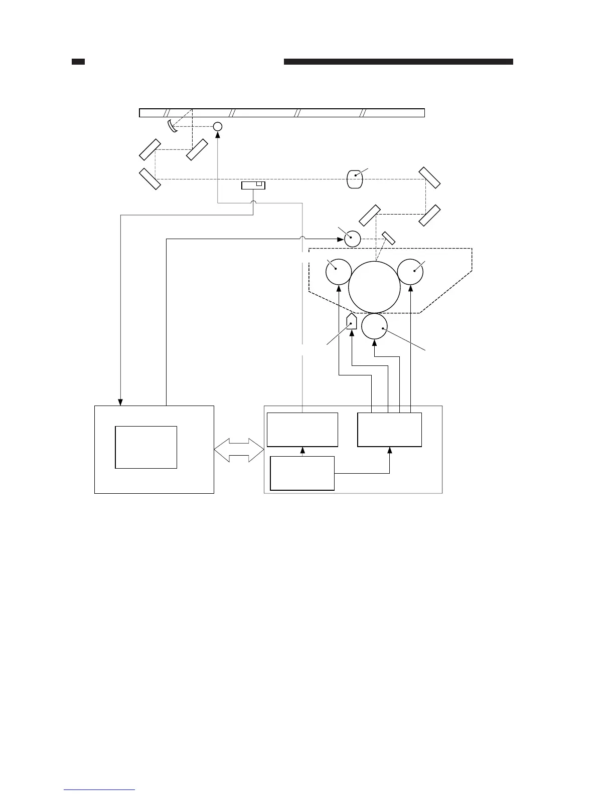
Figure 4-101
Side
blanking
lamp
Copyboard glass
Scanning lamp
AE sensor
Developing cylinder
Transfer roller
High-voltage
circuit block
Lamp regulator
block
Q900
Microprocessor
Q101
Microprocessor
DC controller PCB
Composite power supply
PCB
Drum cartridge
Photo-
sensitive
drum
Lens
Primary charging roller
Static eliminator

Table of Contents

Other manuals for Canon PC920

Related product manuals