EasyManua.ls Logo

CEA DIGITECH vision PULSE 3200 - Electrical Diagrams; Wiring Diagram

CEA DIGITECH vision PULSE 3200
80 pages
Print Icon
To Next Page IconTo Next Page
To Next Page IconTo Next Page
To Previous Page IconTo Previous Page
To Previous Page IconTo Previous Page
Loading...
10
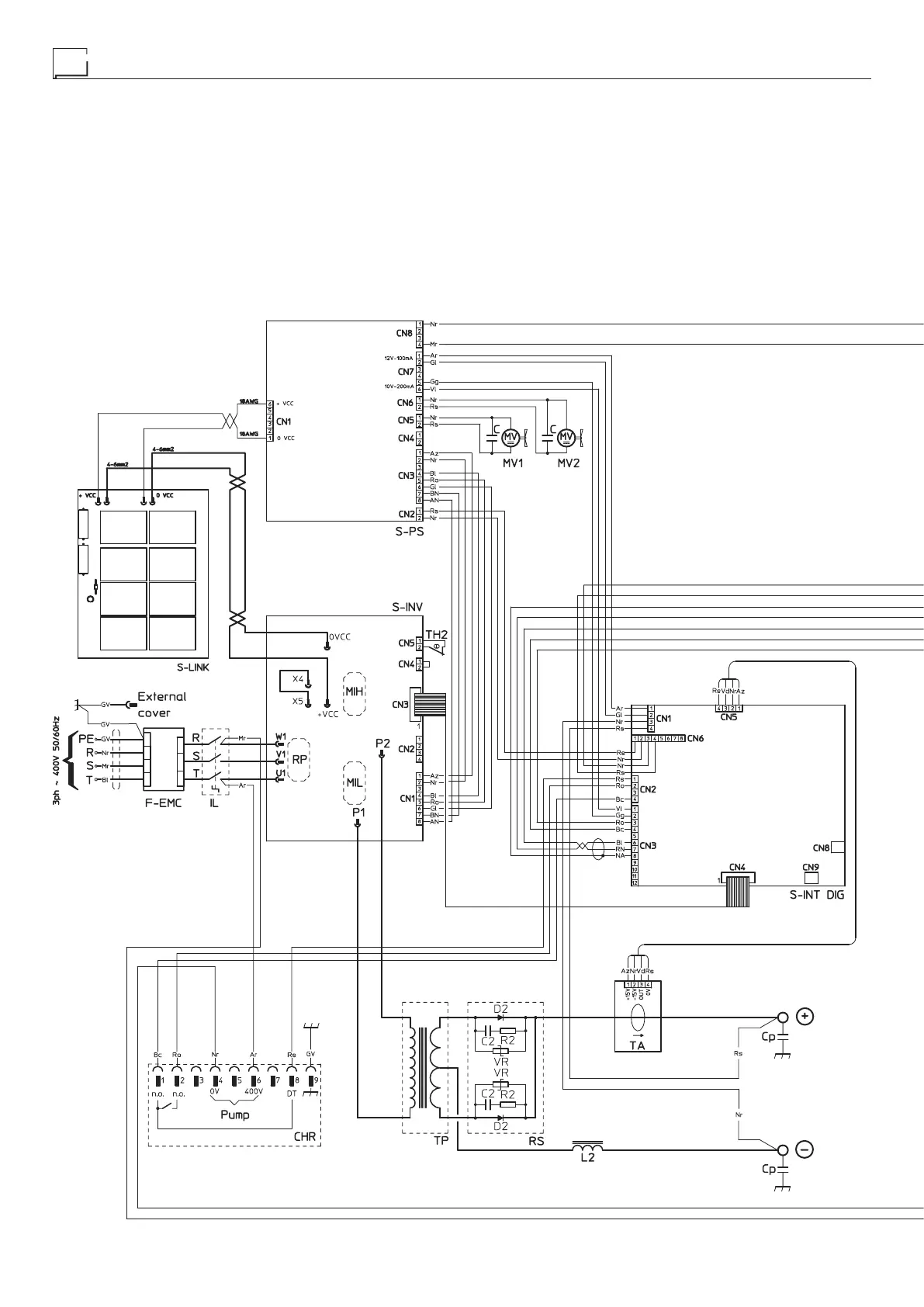
Wiring diagram
COLOUR KEY
AN Orange-Black
Ar Orange
AR Sky Blue-Red
Az Sky Blue
Bc White
Bl Blue
BN White-Black
Gg Grey
Gl Yellow
GV Yellow-Green
Mr Brown
NA Black-Sky Blue
Nr Black
RN Red-Black
Ro Pink
Rs Red
Vd Green
Vl Violet

Related product manuals