EasyManua.ls Logo

Contex COUGAR 36 - Page 23

Contex COUGAR 36
258 pages
Print Icon
To Next Page IconTo Next Page
To Next Page IconTo Next Page
To Previous Page IconTo Previous Page
To Previous Page IconTo Previous Page
Loading...
FSG/MTM/001 060511
19
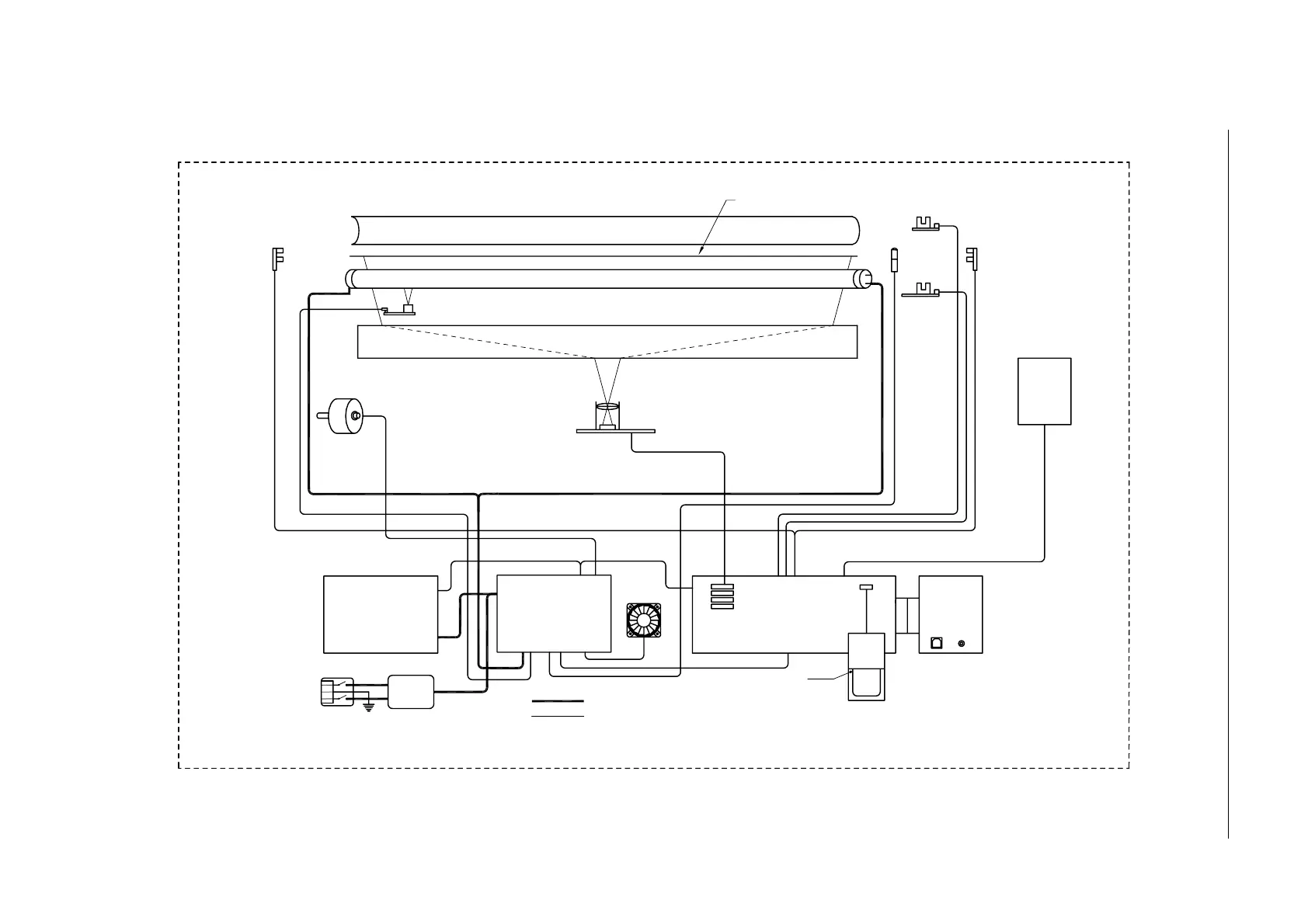
Fig. 2-2 CHAMELEON 25 Block Diagram
FEED MO TOR
SUCA
SCANNER UNIT
SMPS
POWER SUPPLY
SWITCH MODE
FAN
OSBC
OIBA
OIBA
SE NSO R S
ORIGINAL
LAMP AND MOTOR
DRIVER BOARD
LMEA
SCR
OPERATOR
PA NEL
SKD
THICKNESS
SENSOR
RE FLEC TOR
FLUORESCENT LAMP
SMART
CARD
RFI
SCSI ID
SWITCH
CAMERA A
MIRRORS
CBEA
THICKNESS
SENSOR
IN TER FA CE
BOARD
PRI MARY
SE CON DARY
NTC
(FAN)
SCANLINE
IMBB

Table of Contents

Related product manuals