EasyManua.ls Logo

Contex COUGAR 36 - Page 24

Contex COUGAR 36
258 pages
Print Icon
To Next Page IconTo Next Page
To Next Page IconTo Next Page
To Previous Page IconTo Previous Page
To Previous Page IconTo Previous Page
Loading...
FSG/MTM/001 060511
20
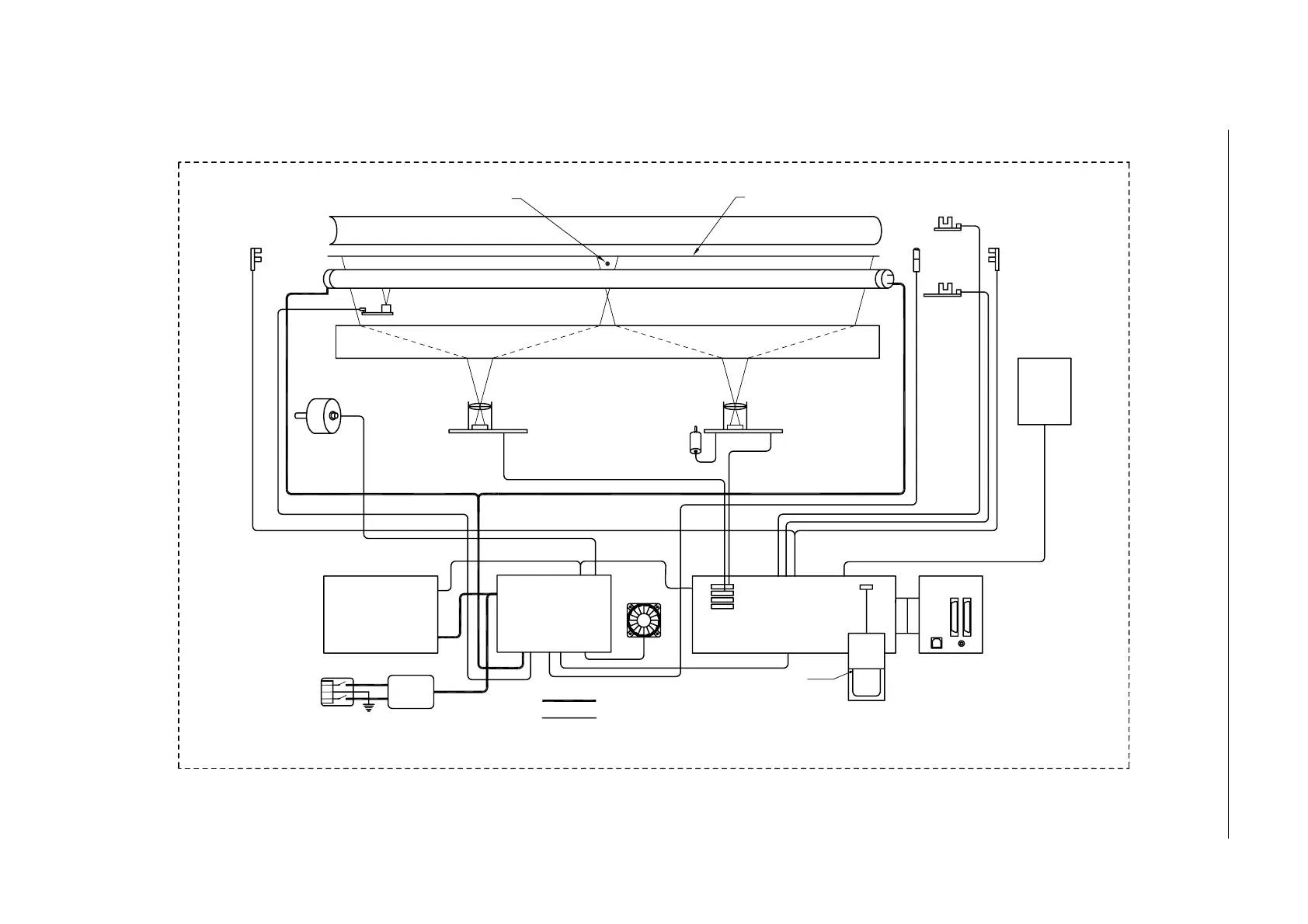
Fig. 2-3 COUGAR 36 Block Diagram
FEED MO TOR
SUCA
SCA NNE R UNIT
SMPS
POWER SUPPLY
SWITCH MODE
FAN
OSBC
OIBA
OIBA
SE NSO RS
ORIGINAL
LAMP AND MOTOR
DRIVER BOARD
LMEA
SCR
OPERATOR
PANEL
SKD
THICKNESS
SENSOR
REFLECTOR
FLUORESCENT LAMP
SMART
CARD
RFI
SCSI ID
SWITCH
CBEA
CAMERA B
MIRRORS
CBEA
CAMERA A
THICKNESS
SENSOR
IN TERFAC E
BOARD
PRI MARY
SE CON DARY
NTC
(FAN)
CAMERA
MOTOR
SCANLINE
IMBA
STITCHING WIRE

Table of Contents

Related product manuals