EasyManua.ls Logo

Contex COUGAR 36 - Electrical Check and Adjustments; Marking Codes for Circuit Boards

Contex COUGAR 36
258 pages
Print Icon
To Next Page IconTo Next Page
To Next Page IconTo Next Page
To Previous Page IconTo Previous Page
To Previous Page IconTo Previous Page
Loading...
FSG/MTM/001 060511
21
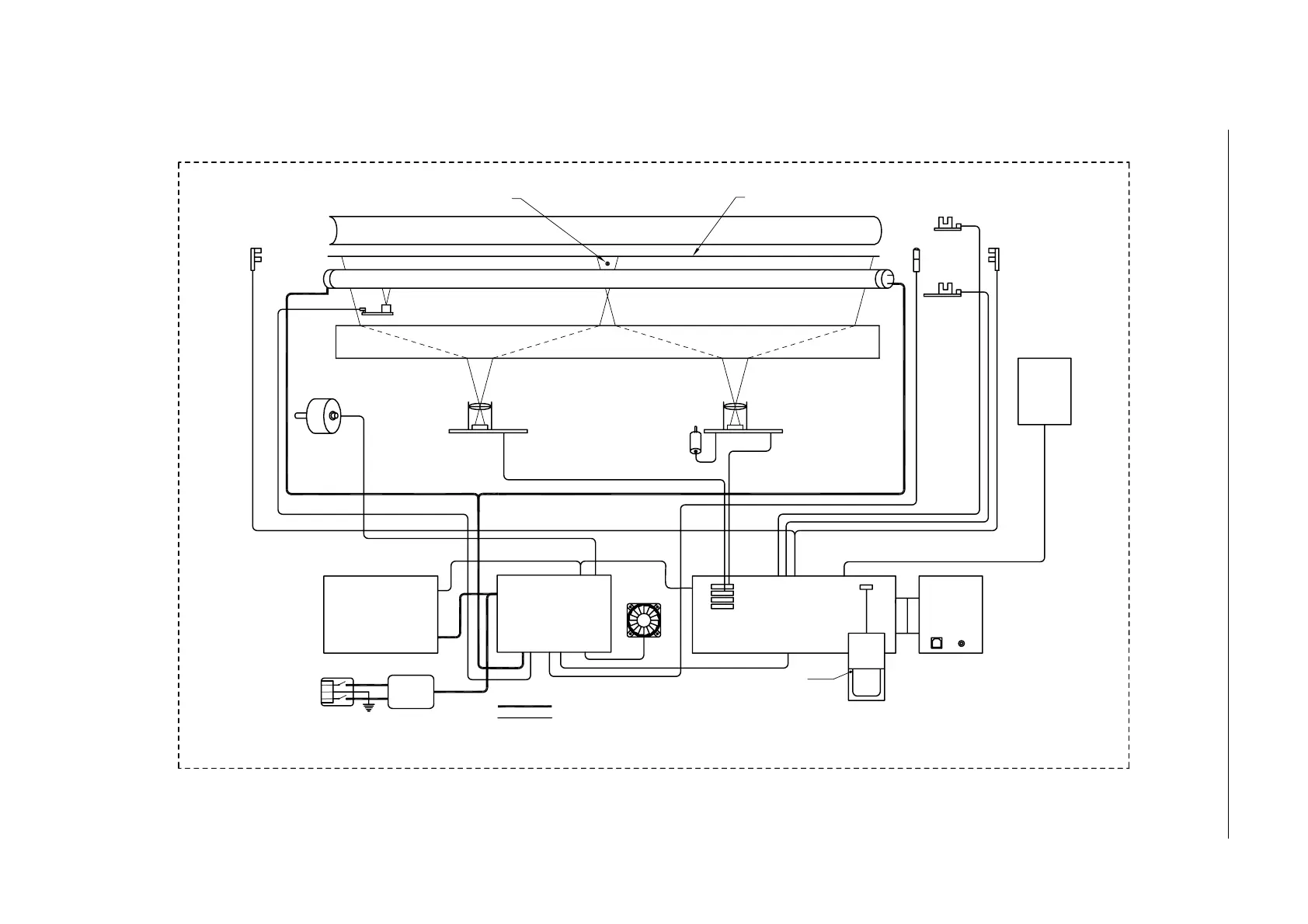
Fig. 2-4 CHAMELEON 36 and CHAMELEON PREMIER 36 Block Diagram
FEED MO TOR
SUCA/SUCD
SCANNER UNIT
SMPS
POWER SUPPLY
SWITCH MODE
FAN
OSBC
OIBA
OIBA
SE NSO RS
ORIGINAL
LAMP AND MOTOR
DRIVER BOARD
LMEA
SCR
OPERATOR
PANEL
SKD
THICKNESS
SENSOR
REFLECTOR
FLUORESCENT LAMP
SMART
CARD
RFI
SCSI ID
SWITCH
CBEA
CAME RA B
MIRRORS
CBEA
CAMERA A
THICKNESS
SENSOR
IN TERFAC E
BOARD
PRIMARY
SE CON DARY
NTC
(FAN)
CAME RA
MOTOR
SCANLINE
IMBB
STITCHING WIRE
CHAMELEON 36: SUCA
CHAME LEO N PREMIE R 36: S UCD

Table of Contents