EasyManua.ls Logo

Contex COUGAR 36 - Downloading Scanner Firmware

Contex COUGAR 36
258 pages
Print Icon
To Next Page IconTo Next Page
To Next Page IconTo Next Page
To Previous Page IconTo Previous Page
To Previous Page IconTo Previous Page
Loading...
FSG/MTM/001 060511
22
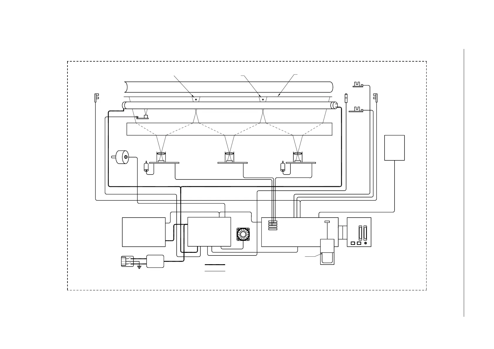
Fig. 2-5 CHROMA Tx 40 and CRYSTAL Tx 40 Block Diagram
FEED MO TOR
SUCx
SCANNER UNIT
SMPS
POWER SUPPLY
SWITCH MODE
FAN
OSBC
OIBA
OIBA
SE NSORS
ORIGINAL
LAMP AND MOTOR
DRIVER BOARD
LMEA
SCR
OPERATOR
PANEL
SKD
THICKNESS
SENSOR
RE FLEC TOR
FLUORESCENT LAMP
SMART
CARD
RFI
SCSI ID
SWITCH
CAMERA B
MIRRORS
CBF A
THICKNESS
SENSOR
IN TERFAC E
BOARD
PRIMARY
SECON DARY
NTC
(FAN)
SCANLINE
IMDA
STITCHING WIRE
GE AR
MOTOR
CAMERA C
CBFA
CAMERA
MOTOR
CAMERA A
CBFA
STITCHING WIRE

Table of Contents

Related product manuals