EasyManua.ls Logo

CVC 400 - Page 31

CVC 400
112 pages
Print Icon
To Next Page IconTo Next Page
To Next Page IconTo Next Page
To Previous Page IconTo Previous Page
To Previous Page IconTo Previous Page
Loading...
CVC TECHNOLOGIES, INC. CVC 400 OPERATION MANUAL
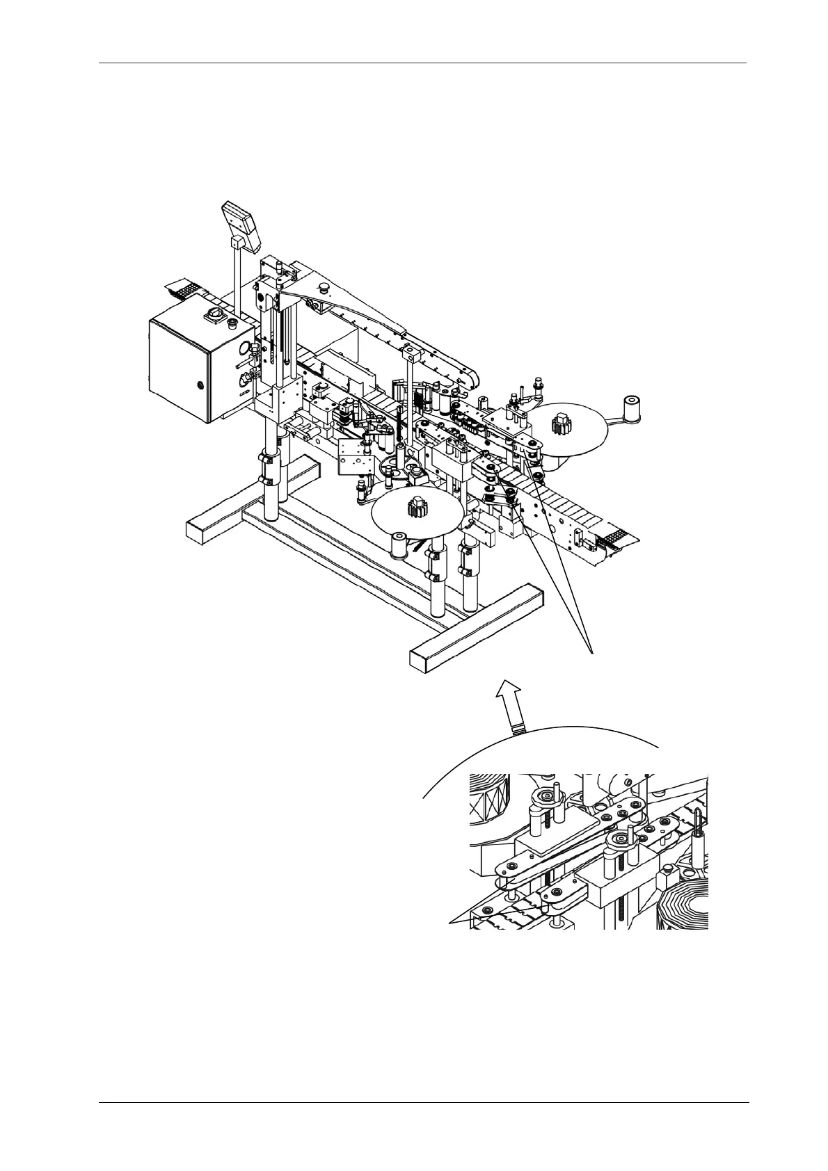
6.1.2 Front/Back Labeler with Alignment Assembly (Belt/Chain)
17
Alignment chain assy.
6 - 2
17
Alignment belt assy.
Fig 6.1-2

Table of Contents

Related product manuals