EasyManua.ls Logo

Delta Electronics DVP15MC11T - Page 578

Delta Electronics DVP15MC11T
601 pages
Print Icon
To Next Page IconTo Next Page
To Next Page IconTo Next Page
To Previous Page IconTo Previous Page
To Previous Page IconTo Previous Page
Loading...
Appendix D Explanation of Homing Modes
D
_
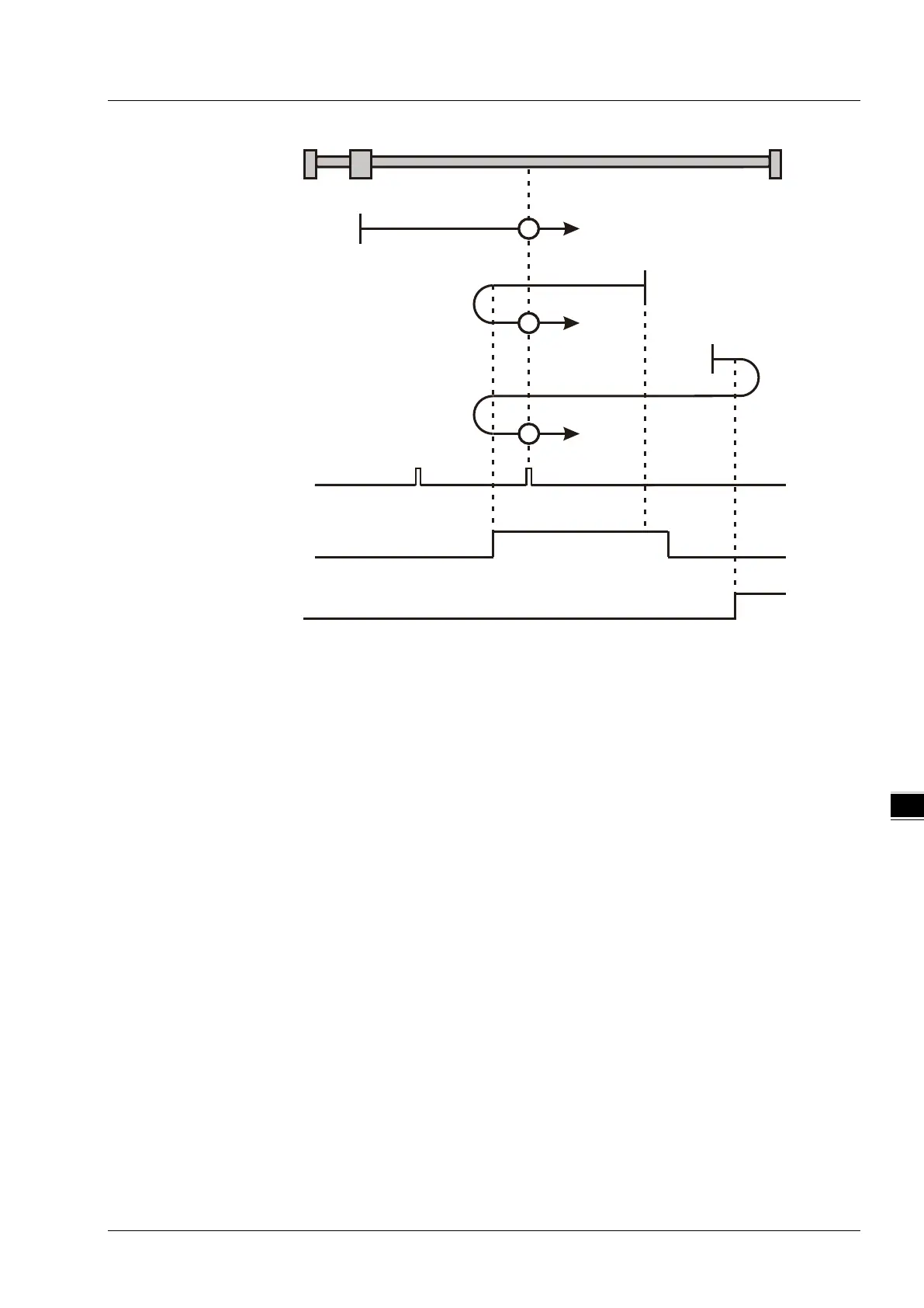
Homing depending on the home switch, positive limit switch and Z pulse (
: mode 8)
Mode 9
Circumstance 1 MC_Home instruction is executed and the axis moves in the positive direction at the
first-phase speed when the home switch is OFF. The axis moves at the second-phase
speed when the home switch is ON. The motion direction changes and the axis
moves at the second-phase speed when the home switch is OFF. And where the first
Z pulse is met is the home position.
Circumstance 2 When the home switch is ON MC_Home instruction is executed and the axis moves in
the positive direction at the second-phase speed. The motion direction changes and
the axis moves at the second-phase speed when the home switch is OFF. And where
the first Z pulse is met is the home position.
Circumstance 3 MC_Home instruction is executed and the axis moves in the positive direction at the
first-phase speed when the home switch is OFF. The motion direction changes and
the axis moves at the first-phase speed when the home switch is OFF and the positive
limit switch is ON. The axis moves at the second-phase speed and where the first Z
pulse is met is the home position when the home switch is ON.
Z pulse
Home switch
Positive limit switch
8
8
8
Circumstance 1
Circumstance 2
Circumstance 3
Start
point
Start point
Start
point
Positive direction
Positive direction
Positive direction
D-7

Table of Contents

Related product manuals