EasyManua.ls Logo

Delta Electronics DVP15MC11T - Page 580

Delta Electronics DVP15MC11T
601 pages
Print Icon
To Next Page IconTo Next Page
To Next Page IconTo Next Page
To Previous Page IconTo Previous Page
To Previous Page IconTo Previous Page
Loading...
Appendix D Explanation of Homing Modes
D
_
Homing depending on the home switch, positive limit switch and Z pulse (
: mode 10)
Mode 11~ mode 14 Homing which depends on the home switch, negative limit switch and Z pulse
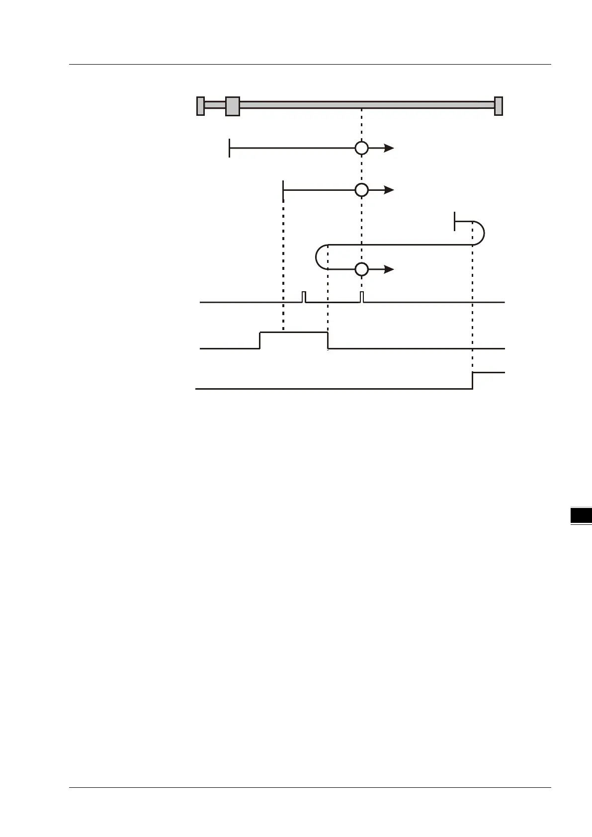
Mode 11
Circumstance 1 MC_Home instruction is executed and the axis moves in the negative direction at the
first-phase speed when the home switch is OFF. The motion direction changes and
the axis moves at the second-phase speed when the home switch is ON. And where
the first Z pulse is met is the home position while the home switch is OFF.
Circumstance 2 MC_Home instruction is executed and the axis moves in the positive direction at the
second-phase speed while the home switch is ON. And where the first Z pulse is met
is the home position while the home switch is OFF.
Circumstance 3 MC_Home instruction is executed and the axis moves in the negative direction at the
first-phase speed while the home switch is OFF. The motion direction changes and
the axis moves at the first-phase speed while the home switch is OFF and the
negative limit switch is ON. The axis moves at the second-phase speed when the
home switch is ON. Where the first Z pulse is met is the home position while the home
switch is OFF.
Z pulse
Home switch
Positive limit switch
10
10
10
Circumstance 1
Circumstance 2
Circumstance 3
Start
point
Start
point
Start
point
Positive direction
Positive direction
Positive direction
D-9

Table of Contents

Related product manuals