EasyManua.ls Logo

Delta Electronics DVP15MC11T - Page 583

Delta Electronics DVP15MC11T
601 pages
Print Icon
To Next Page IconTo Next Page
To Next Page IconTo Next Page
To Previous Page IconTo Previous Page
To Previous Page IconTo Previous Page
Loading...
DVP15MC11T Operation Manual
D
Homing depending on the home switch, negative limit switch and Z pulse (
13 : mode 13)
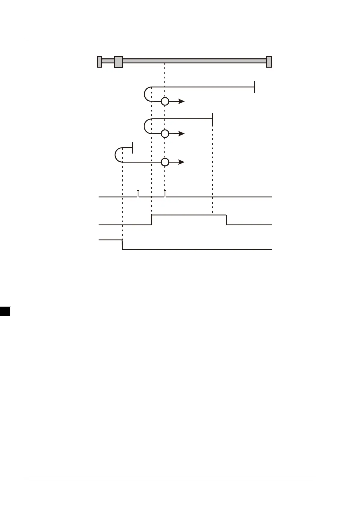
Mode 14
Circumstance 1 MC_Home instruction is executed and the axis moves in the negative direction at the
first-phase speed while the home switch is OFF. The axis moves at the second-phase
speed once the home switch is ON. And where the first Z pulse is met is the home
position while the home switch is OFF.
Circumstance 2 MC_Home instruction is executed and the axis moves in the negative direction at the
second-phase speed while the home switch is ON. Where the first Z pulse is met is
the home position while the home switch is OFF.
Circumstance 3 MC_Home instruction is executed and the axis moves in the negative direction at the
first-phase speed while the home switch is OFF. The motion direction changes and
the axis moves at the first-phase speed while the home switch is OFF and the
negative limit switch is ON. The motion direction changes again and the axis moves at
the second-phase speed when the home switch is ON. Where the first Z pulse is met
is the home position while the home switch is OFF.
13
13
Z pulse
Home
switch
Negative
limit switch
13
Circumstance 1
Circumstance 2
Circumstance 3
Start
point
Start
point
Start
point
Positive direction
Positive direction
Positive direction
D-12

Table of Contents

Related product manuals