EasyManua.ls Logo

Delta Electronics DVP15MC11T - Page 584

Delta Electronics DVP15MC11T
601 pages
Print Icon
To Next Page IconTo Next Page
To Next Page IconTo Next Page
To Previous Page IconTo Previous Page
To Previous Page IconTo Previous Page
Loading...
Appendix D Explanation of Homing Modes
D
_
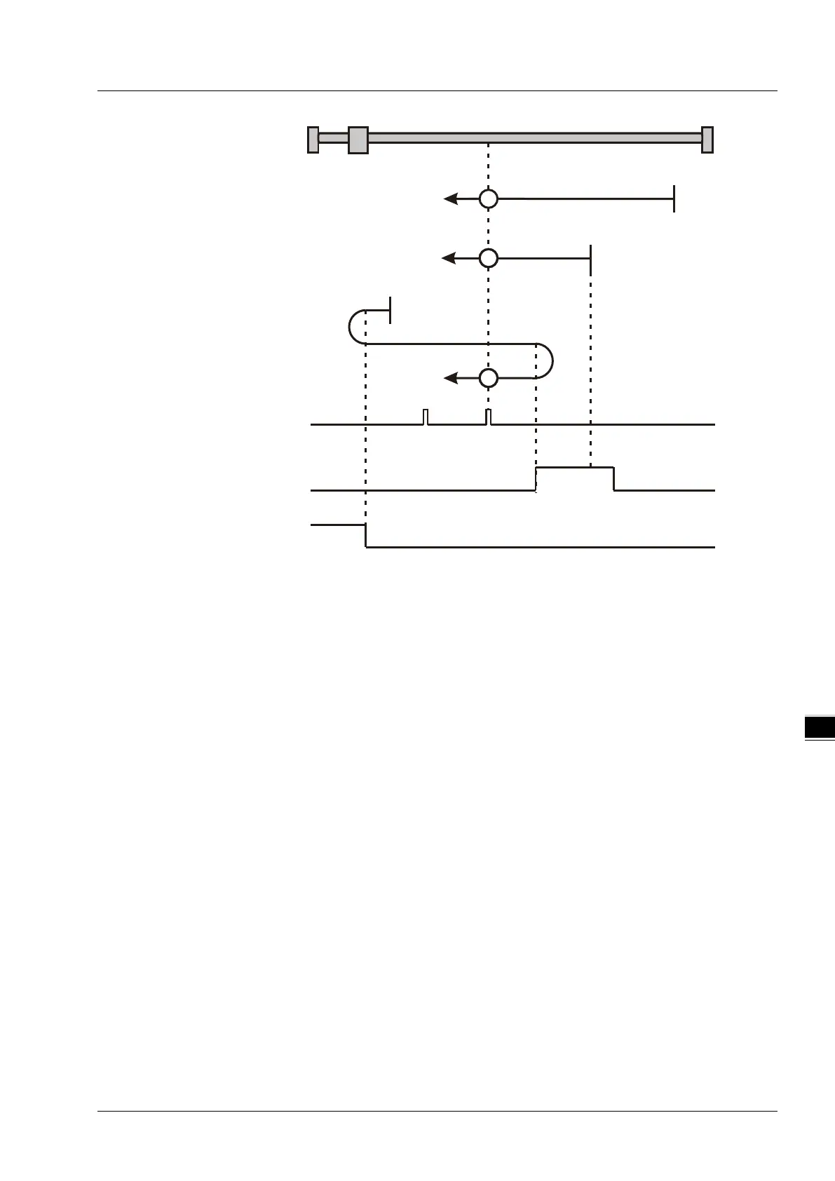
Homing depending on the home switch, negative limit switch and Z pulse (
14 : mode 14)
Mode 15 and mode 16 are reserved for future development.
Mode 17~mode 30 Homing which has nothing to do with Z pulse
In mode 17~mode 30 which are respectively similar to mode1~mode 14 mentioned previously, the axis has
nothing to do with Z pulse but the relevant home switch and limit switch status while returning to the home
position. Mode 17 is similar to mode 1, mode 18 is similar to mode 2, mode 19 & mode 20 is similar to mode 3,
mode 21 & mode 22 is similar to mode 5, mode 23 & mode 24 is similar to mode 7, mode 25 & mode 26 is
similar to mode 9, mode 27 & mode 28 is similar to mode 11, and mode 29 & mode 30 are similar to 13.
Z pulse
Home
switch
Negative
limit switch
14
14
14
Circumstance 1
Circumstance 2
Circumstance 3
Start
point
Start
point
Start
point
Negative
direction
Negative
direction
Negative
direction
D-13

Table of Contents

Related product manuals