EasyManua.ls Logo

Denon AVR-4806 - Connecting Other Sources: HDMI Connections; Connecting Equipment with HDMI Terminals

Denon AVR-4806
154 pages
Print Icon
To Next Page IconTo Next Page
To Next Page IconTo Next Page
To Previous Page IconTo Previous Page
To Previous Page IconTo Previous Page
Loading...
28
Connecting Other Souces
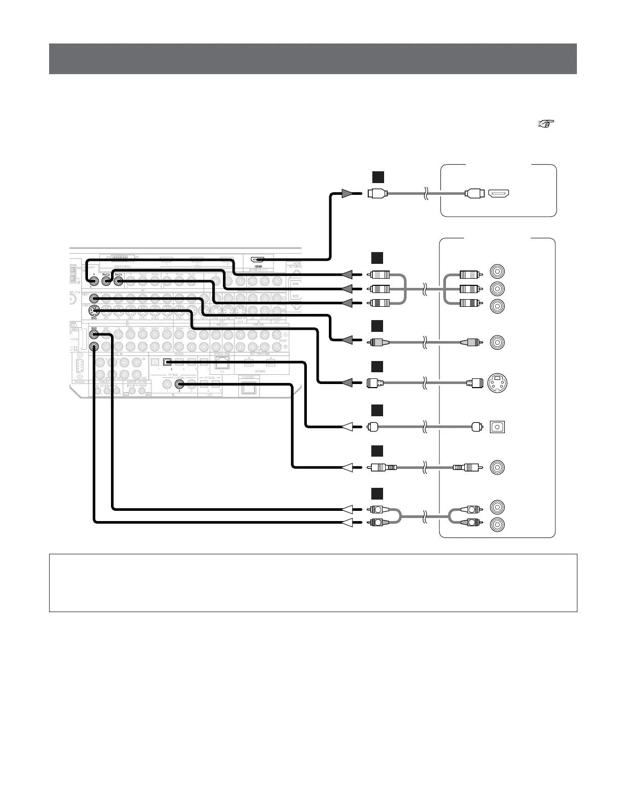
Connecting equipment with HDMI (High-Definition Multimedia Interface) terminals
[To convert analog video signals to HDMI signals]
Monitor TV
HDMI
IN
DVD player
S VIDEO
OUT
COAXIAL
OUT
R
L
AUDIO OUT
VIDEO
OUT
COMPONENT VIDEO OUT
Y
P
B
PR
OPTICAL
OUT
L
R
L
R
L
H
J
I
A
C
D
The AVR-4806 is equipped with a function for converting analog video signals into HDMI signals.
You can do this by either a component or a video or a S-Video connection.
Audio signals are not output from the HDMI monitor output terminal, so also make analog or digital audio connections. To play
sound using digital audio connections, assign the digital terminal (coaxial or optical) at “Setting the Digital In Assign” ( page
89).
NOTE:
Use an HDMI monitor compatible with an HDMI input resolution of 480i or 576i.
If your monitor is not equipped with an HDMI terminal, connect the AVR-4806 to the monitor using the component video,
S-Video, or composite video terminals.

Table of Contents

Other manuals for Denon AVR-4806

Related product manuals