EasyManua.ls Logo

Edwards nEXT730 - Figure 6 Dimensional Drawing for Next730;930

Edwards nEXT730
137 pages
Print Icon
To Next Page IconTo Next Page
To Next Page IconTo Next Page
To Previous Page IconTo Previous Page
To Previous Page IconTo Previous Page
Loading...
B8J200880_E - Technical data
Page 31
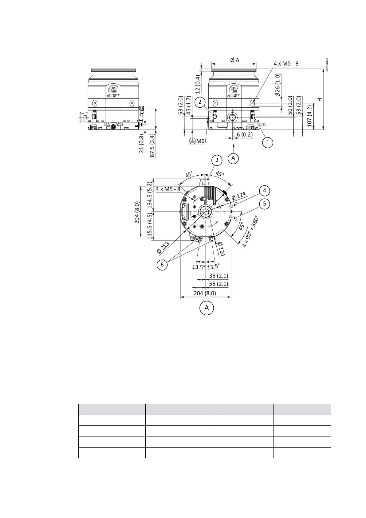
Figure 6 Dimensional drawing for nEXT730/930
All measurements indicated are shown in mm
1. VENT G 1/8"
2. PURGE G 1/8"
3. DN 25 KF
4. 48 V d.c. power supply cable, 0.6 m long including plug
5. Control interface cable, 0.95 m long including plug
6. Water cooling, quick coupling for 8 mm hose
Table 5 Dimensions in mm
DN
H
A
nEXT730
160 ISO-K
246
180
nEXT730
160 CF
257
202.5
nEXT930
200 ISO-K
241.3
240
nEXT930
200 CF
246.8
254

Table of Contents

Related product manuals