EasyManua.ls Logo

ELNet GR/PQ - Page 20

ELNet GR/PQ
89 pages
Print Icon
To Next Page IconTo Next Page
To Next Page IconTo Next Page
To Previous Page IconTo Previous Page
To Previous Page IconTo Previous Page
Loading...
20
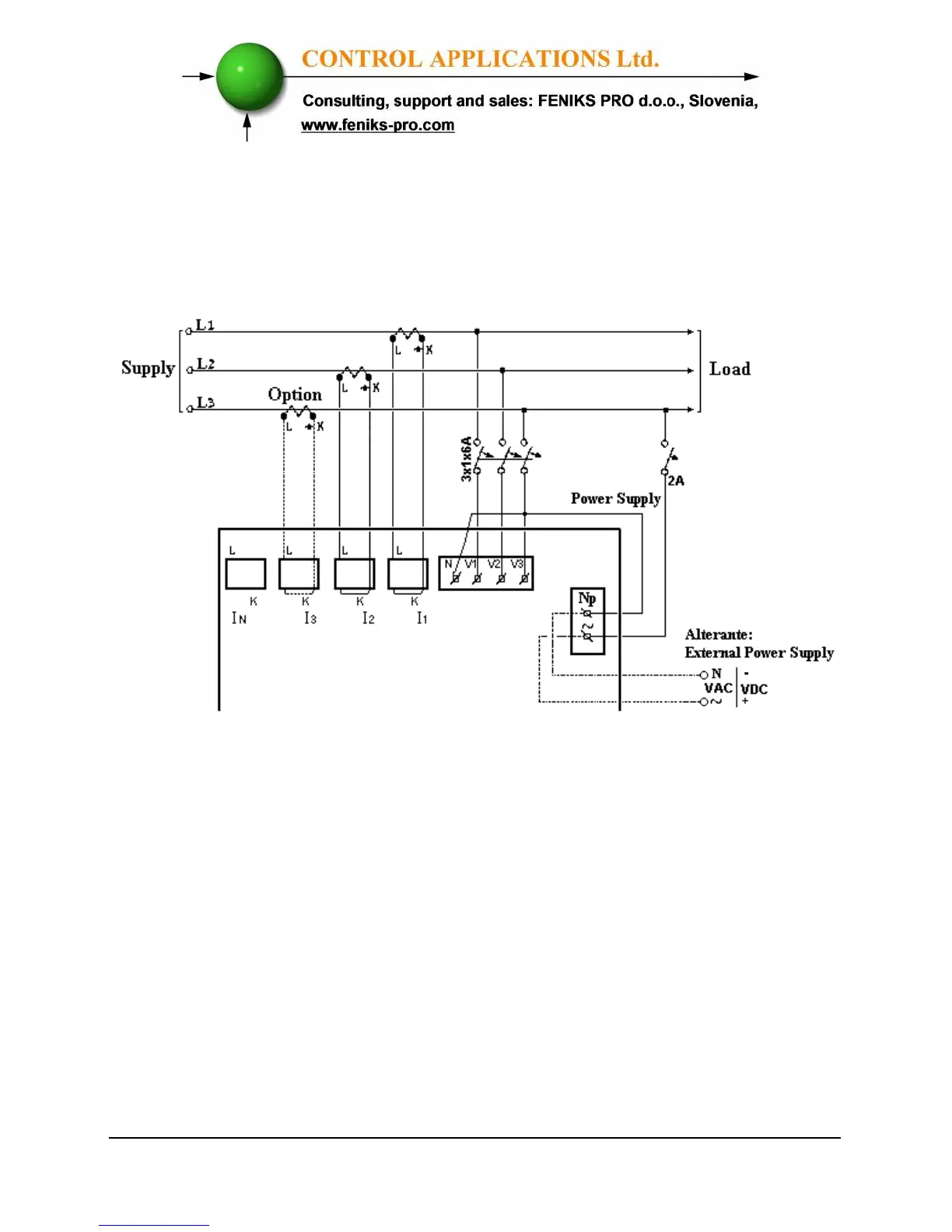
To wire up the
ElNet
PQ Energy & Powermeter in "Delta"
connection:
Figure 2.6. PQ Schematic "Delta" Wiring Diagram

Table of Contents

Related product manuals