EasyManua.ls Logo

Enertech EAV060 - Piping Diagram - Flushing Piping on the Other Side of Hydraulic Separator, Step 2

Default Icon
104 pages
Print Icon
To Next Page IconTo Next Page
To Next Page IconTo Next Page
To Previous Page IconTo Previous Page
To Previous Page IconTo Previous Page
Loading...
Enertech Global 
EAV - EME/EMD Rev. A Models
Installaon and Operaons Manual
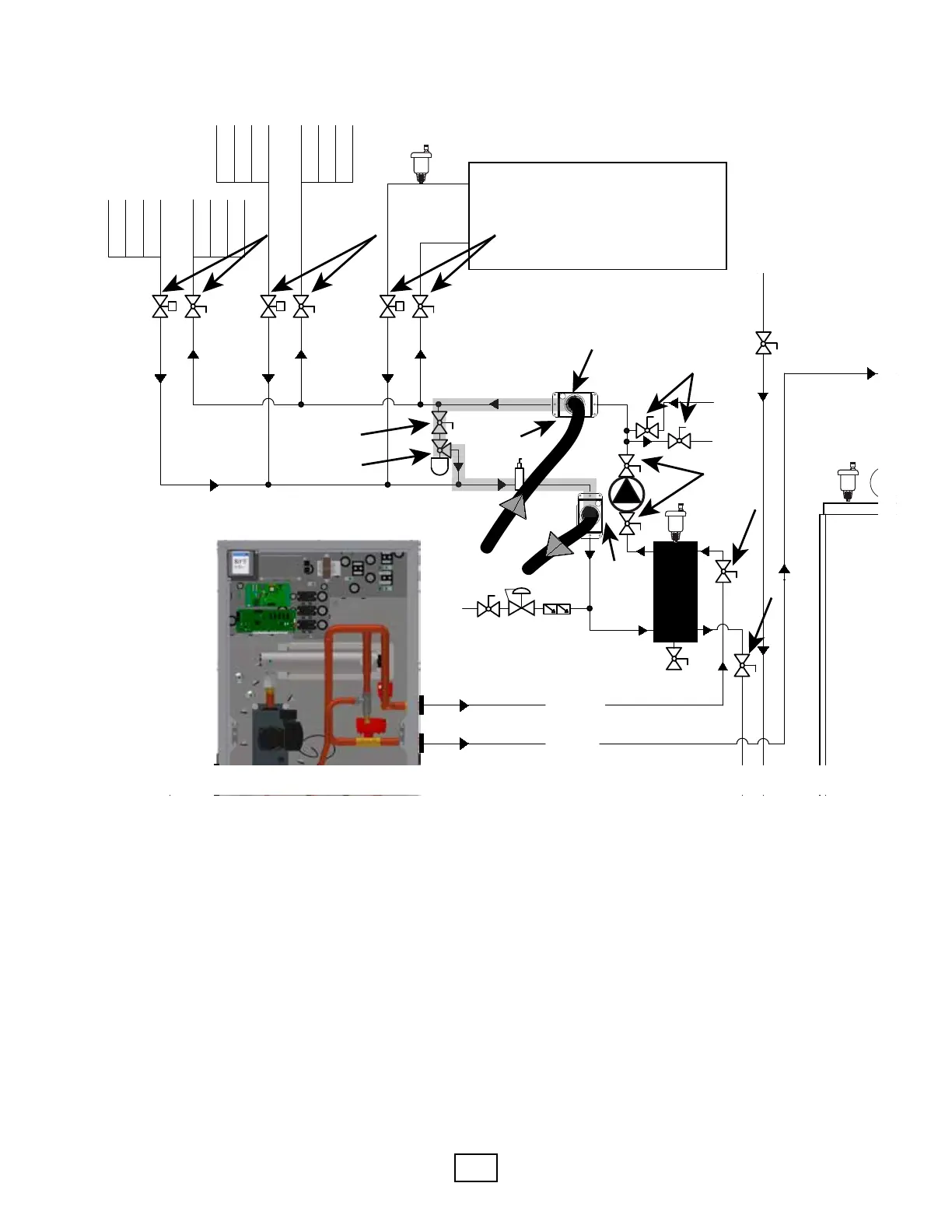
WV Installation: Heat & Cool-with Hot Water
OPTIONAL
NON-PRESSURIZED
FLOW CENTER
TO
LOOP
FIELD
FROM
LOOP
FIELD
SOURCE IN
SOURCE OUT
P/TP/T
P/TP/T
SOURCE IN
SOURCE OUT
TO
LOOP
FIELD
FROM
LOOP
FIELD
FLUSH
VALVE
Type XXXX XX-XX XXX
XXXV ~
XX/XXHz
GFXXX
EuP Ready
I
1/1
(A)
P
1
(W)
X.XX
X.XX
XX
XX
Max.
Min.
P/N:XXXXXXX
PC:XXXXXX
IP XX
TF XX
Max.X.XMPa
A
High Efficiency
XX
EEI<0.23
HYDRAULIC
SEPARATOR
RADIANT
FLOOR
HEATING
ZONE 2
RADIANT
FLOOR
HEATING
ZONE 3
HYDRONIC
AIR HANDLER
ZONE 1
DHW OUT
ΔP
LOAD OUT
DOMESTIC
COLD
WATER
HOT
COLD
LOAD
IN
LOAD
OUT
SYSTEM
PUMP
USE AGFP DOUBLE O-RING X CAM
ADAPTERS IF USING FLUSH CART;
USE AGAMFH DOUBLE O-RING X
GARDEN HOSE FEMALE ADAPTERS
IF USING GARDEN HOSES.
LOAD IN
DHW IN
FLUSHING
HOSES
CLOSED
“OFF” TO THE
BOTTOM
CLOSED
“OFF” TO
THE RIGHT
TO/FROM
BOILER IF
APPLICABLE
OPEN
CLOSED
OPEN
SET AT MIN. PRESSURE
CLOSEDCLOSEDCLOSED




Table of Contents

Related product manuals