EasyManua.ls Logo

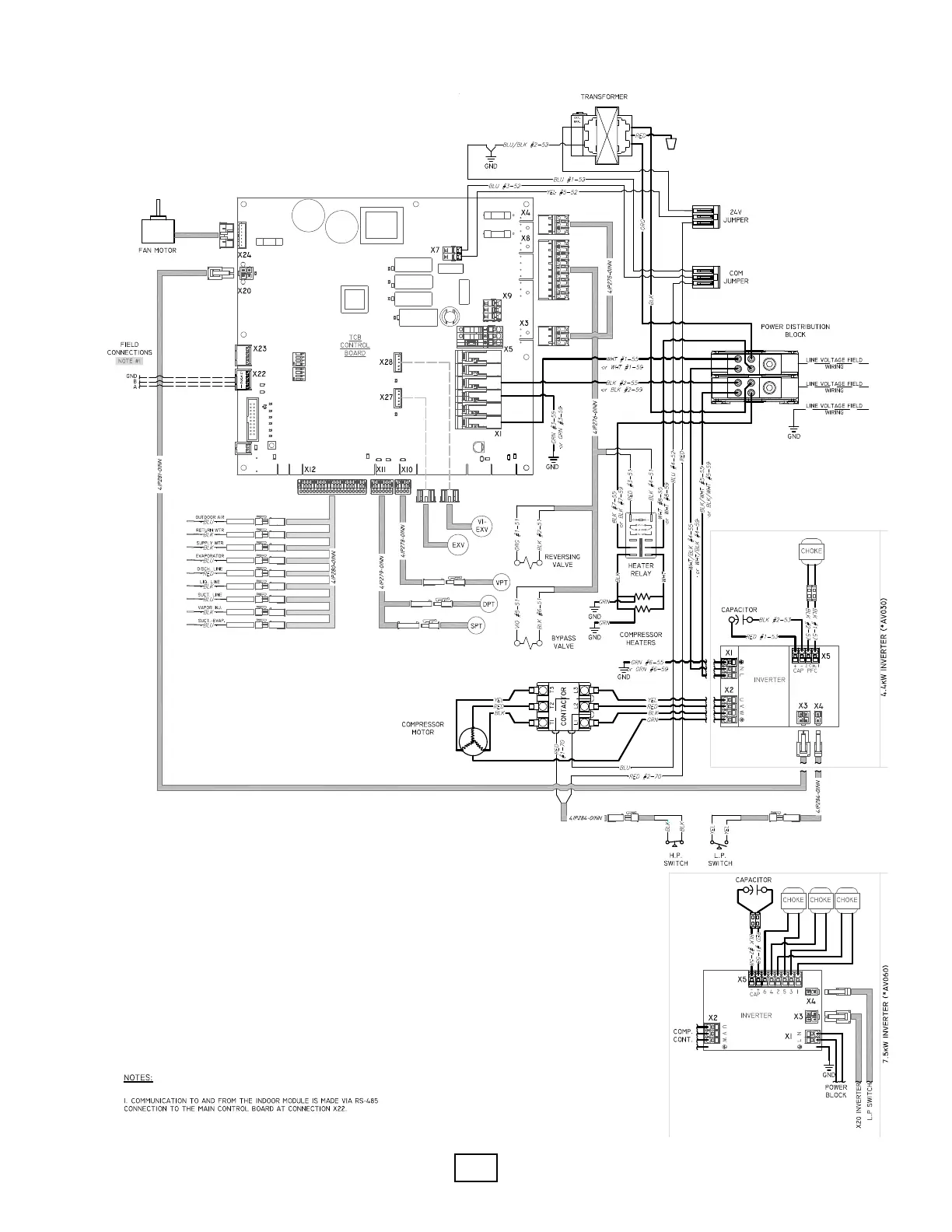
Enertech EAV060 - Wiring Diagrams; EAV Outdoor Unit Wiring Diagram

Default Icon
104 pages
Print Icon
To Next Page IconTo Next Page
To Next Page IconTo Next Page
To Previous Page IconTo Previous Page
To Previous Page IconTo Previous Page
Loading...
Enertech Global 
EAV - EME/EMD Rev. A Models
Installaon and Operaons Manual



Table of Contents

Related product manuals