EasyManua.ls Logo

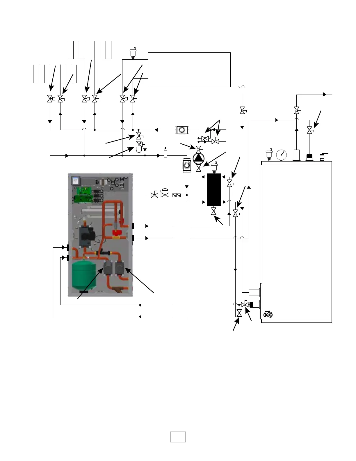
Enertech EAV060 - Piping Diagram - Final Position of Valves

Default Icon
104 pages
Print Icon
To Next Page IconTo Next Page
To Next Page IconTo Next Page
To Previous Page IconTo Previous Page
To Previous Page IconTo Previous Page
Loading...
Enertech Global 
EAV - EME/EMD Rev. A Models
Installaon and Operaons Manual
WV Installation: Heat & Cool-with Hot Water
OPTIONAL
NON-PRESSURIZED
FLOW CENTER
TO
LOOP
FIELD
FROM
LOOP
FIELD
SOURCE IN
SOURCE OUT
P/TP/T
P/T
P/T
SOURCE IN
SOURCE OUT
TO
LOOP
FIELD
FROM
LOOP
FIELD
FLUSH
VALVE
Type XXXX XX-XX XXX
XXXV ~
XX/XXHz
GFXXX
EuP Ready
I
1/1(A)
P
1
(W)
X.XX
X.XX
XX
XX
Max.
Min.
P/N:XXXXXXX
PC:XXXXXX
IP XX
TF XX
Max.X.XMPa
A
High Efficiency
XX
EEI<0.23
HYDRAULIC
SEPARATOR
RADIANT
FLOOR
HEATING
ZONE 2
RADIANT
FLOOR
HEATING
ZONE 3
HYDRONIC
AIR HANDLER
ZONE 1
DHW OUT
ΔP
LOAD OUT
TURBOMAX
WATER HEATER
DOMESTIC
COLD
WATER
HOT
COLD
LOAD
IN
LOAD
OUT
MAKE-UP
WATER
SYSTEM
PUMP
LOAD IN
DHW IN
“OFF” TO
FLUSH PORT
“OFF” TO
FLUSH PORT
OPEN
OPENOPENOPEN
OPEN
SET TO
PRESSURE
NEEDED FOR
SYSTEM
OPERATING
POSITION
OPERATING
POSITION
OPERATING
POSITION
OPEN
“OFF” TO
FLUSH PORT
“OFF” TO
FLUSH PORT
OPEN
OPEN
CLOSED
OPEN
OPEN
TO/FROM
BOILER IF
APPLICABLE
OPEN
CLOSED




Table of Contents

Related product manuals