EasyManua.ls Logo

Festo FB13 - Page 187

Festo FB13
195 pages
Print Icon
To Next Page IconTo Next Page
To Next Page IconTo Next Page
To Previous Page IconTo Previous Page
To Previous Page IconTo Previous Page
Loading...
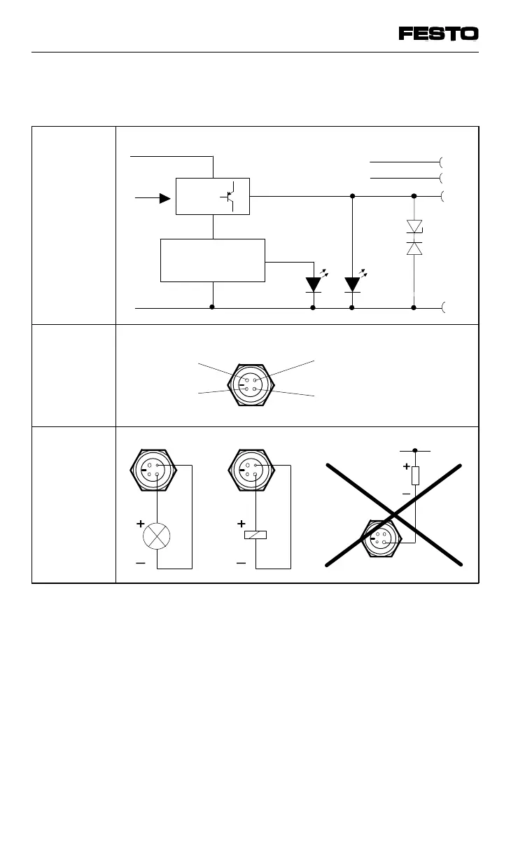
4-output module
Internal
structure
Pin
assignment
Examples of
circuitry
Fig. A/9: Circuitry example: 4-output module
NOT PERMITTED
Example. 2
Pin
1
4
3
PLC/I-PC
O
x
(via
field bus)
24 V ± 10 %
0 V
3: 0 V
4: Output O
x
2: n.c.
1: n.c.
Example. 1
Output
driver
Yellow
LED
+ 24 V
Red LED
Diagnosis
- output status
- overload
n.c.
2
n.c.
VIFB13 - 03/05 Appendix A
A-18
9701 NH

Table of Contents

Related product manuals