EasyManua.ls Logo

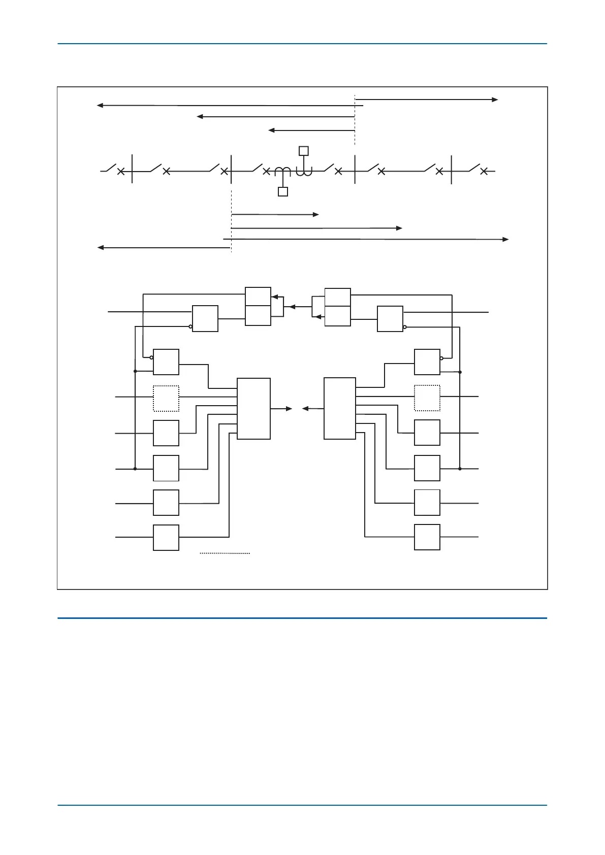
GE MiCOM P40 - Aided Distance Unblocking Schemes; Figure 74: Aided Distance Blocking Scheme (BOP)

GE MiCOM P40
962 pages
Print Icon
To Next Page IconTo Next Page
To Next Page IconTo Next Page
To Previous Page IconTo Previous Page
To Previous Page IconTo Previous Page
Loading...
E03504
Selectable features
Zone 2
Zone 3
Zone 2
Zone 3
Zone 1
Zone 1
Zone 4
Zone 4
Fast Z4
Fast Z4
Trip A
Trip B
Z4
Z3
Z2
ZP
Z1
Z4
Z3
Z2
ZP
Z1
CRx
CRx
CTx
CTx
&
&
&
&
TZ4
TZ3
TZ2
TZP
TZ1
1
1
TZ4
TZ3
TZ2
TZP
TZ1
Z
B
Z
A
Figure 74: Aided Distance Blocking scheme (BOP)
4.6
AIDED DISTANCE UNBLOCKING SCHEMES
The Unblocking schemes are specifically designed for use with Power Line Carrier (PLC) communications where
different frequencies are used to indicate that a guard (no-fault condition) or a trip (fault condition) signal should
be transmitted to the remote terminal(s). Normally, either a guard signal or a trip signal should be transmitted and
received. Under certain fault conditions however, the PLC signal can be heavily attenuated or even lost completely.
In such conditions, Permissive Overreach Unblocking schemes allow the permissive tripping to operate for a short
period after the carrier is lost. This ensures fast, selective fault clearance.
To use this scheme you need to assign two inputs. Generally, the inputs are mapped to opto-inputs in the default
PSL. The table below shows a default mapping for Aided Scheme 1.
Chapter 8 - Carrier Aided Schemes P446SV
178 P446SV-TM-EN-1

Table of Contents

Related product manuals