EasyManua.ls Logo

GUDEL FlexxPump 402 - 402;402 B 10-Fold; Fig. 7 -9 Design 402;402 B 10-Fold

Default Icon
156 pages
Print Icon
To Next Page IconTo Next Page
To Next Page IconTo Next Page
To Previous Page IconTo Previous Page
To Previous Page IconTo Previous Page
Loading...
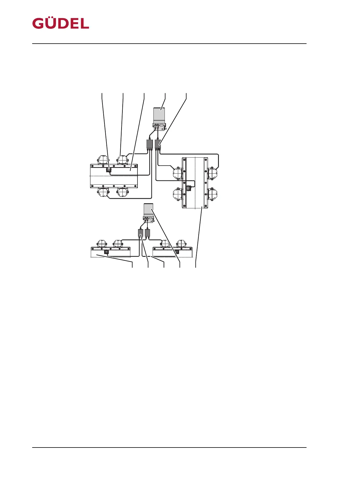
402/402B 10-fold
System with 10 lubrication points
D003489
A B C D E
J I H G F
Fig.7-9 Design 402/402B 10-fold
A Lubricating pinion (not included in the
scope of delivery)
F 2rd axle (not included in the scope of
delivery)
B Lubricating element for guideway rails
(not included in the scope of delivery)
G 2nd FlexxPump 402/402B
C 1st axle (not included in the scope of de-
livery)
H Hydraulic hose diameter 6/3mm
D 1st FlexxPump 402/402B I 2x Splitters
E 3x Splitters Y 3rd axle (not included in the scope of
delivery)
Maintenance
OPERATING MANUAL Automatic lubrication system
FlexxPump 402 / 402B
90071992656444683_v9.0_EN-US
94

Table of Contents

Related product manuals