EasyManua.ls Logo

Hirobo sst-eagle FREYA Evolution - Page 68

Default Icon
80 pages
Print Icon
To Next Page IconTo Next Page
To Next Page IconTo Next Page
To Previous Page IconTo Previous Page
To Previous Page IconTo Previous Page
Loading...
67
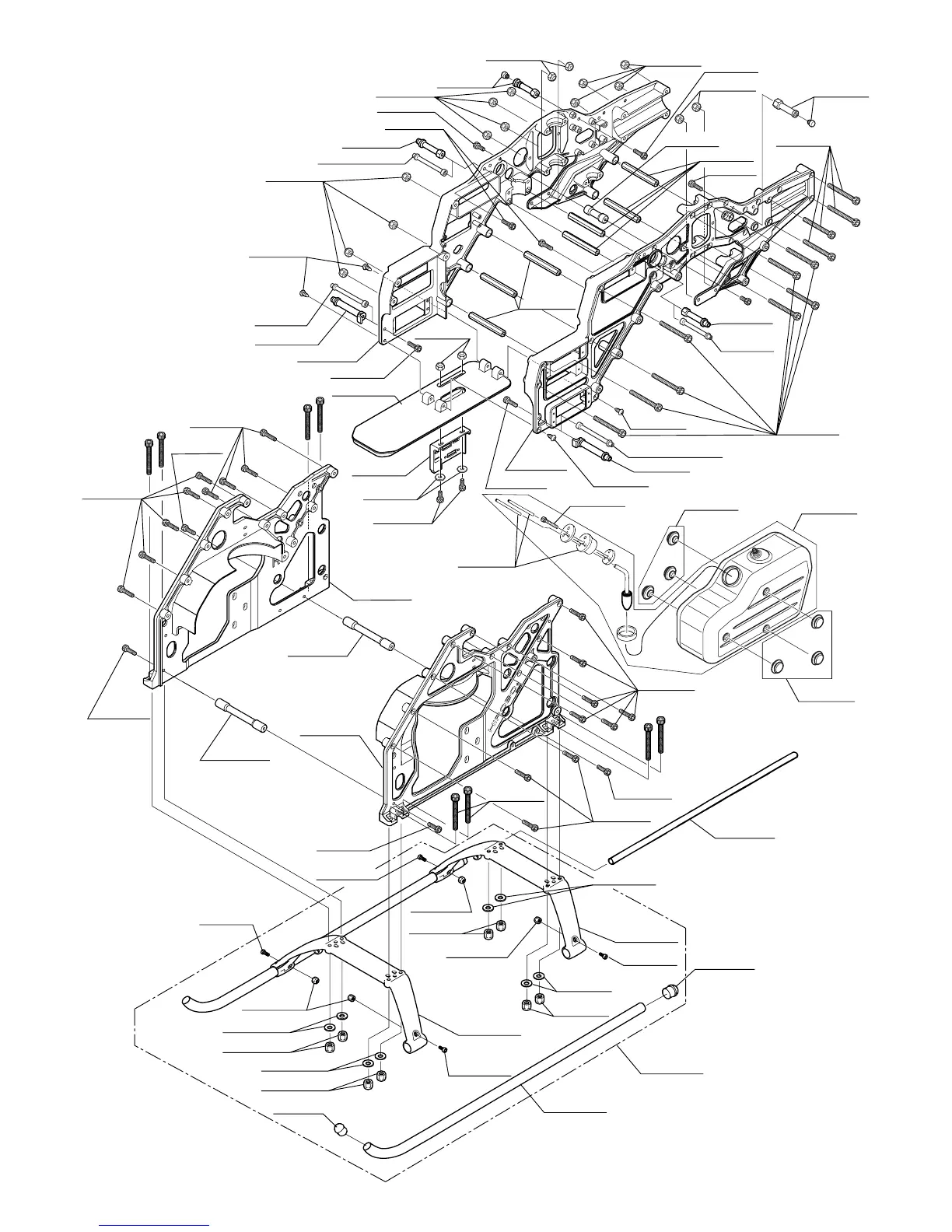
0414-293
0414-292
0404-675
2532-006
0414-293
2505-020
2505-020
2536-001
0414-284
2505-020
2505-020
2511-020
2511-003
2532-053
2511-020
2532-053
2532-015
2532-004
2532-004
2532-004
2532-002
2532-004
2532-004
0414-398
0414-398
2532-004
2523-051
2532-004
2532-015
2505-019
2523-051
2505-019
0404-696
0414-285
0414-286
2523-051
0414-286
2505-019
2532-038
2523-051
2511-007
2511-007
0402-639
2523-021
0402-639
2505-006
2505-006
2506-010
2505-006
2506-010
2505-006
2506-010
2532-015
2532-015
2532-004
0414-284
0414-399
2532-002
2532-004
0414-399
0414-284
2505-020
2506-010
2505-020
0414-284
2536-001
0414-123(option)
0414-124(option)
0414-124
(option)
0414-397
0414-284
2536-001
0414-284
0414-123
(option)
0414-396
2506-004

Table of Contents

Related product manuals