EasyManua.ls Logo

Hirobo sst-eagle FREYA Evolution - Page 70

Default Icon
80 pages
Print Icon
To Next Page IconTo Next Page
To Next Page IconTo Next Page
To Previous Page IconTo Previous Page
To Previous Page IconTo Previous Page
Loading...
69
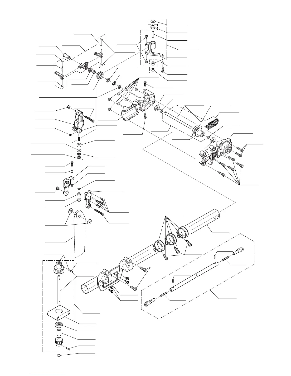
2506-005
2507-001
2507-001
2507-001
2500-061
2500-062
2500-070
2506-003
0404-662
2532-028
2532-005
0414-119
0414-118
0402-523
2500-068
2521-082
2509-015
0414-146
2534-014
2534-006
0414-135
2537-002
2500-054
2506-029
0414-163
(スライド軸とセット)
(M6 nut included with slide shaft)
2532-030
2500-068
2521-061
0414-143
2509-015
0414-401
2504-027
2505-020
0412-157
0412-147
2525-006
2532-031
2506-005
2539-015
2509-012
2509-012
0414-141
0404-662
2521-079
2500-054
2532-030
0414-401
0414-119
0414-144
2500-068
2532-015
2532-015
2506-021
2506-021
2505-006
2531-002
0404-662
2505-001
2505-006
内径/
内径/
Inside dia. :Large
Inside dia. :Small
2532-028
2525-007
2505-006
2506-004
0414-165
2509-015
0414-137
2532-005
0414-142
0414-164
0414-136
2522-001
2522-001
0414-400
2500-051
2500-051
2509-014
2509-014
0414-163

Table of Contents

Related product manuals