EasyManua.ls Logo

INVT IPE300 Series - Page 115

INVT IPE300 Series
383 pages
Print Icon
To Next Page IconTo Next Page
To Next Page IconTo Next Page
To Previous Page IconTo Previous Page
To Previous Page IconTo Previous Page
Loading...
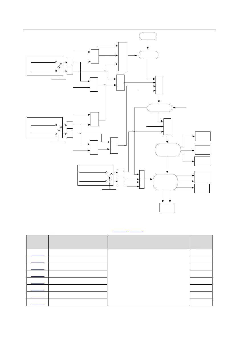
IPE300 series engineering VFD Basic operation guidelines
-104-
Prohibit
running status
OFF2 valid
1
Receive the bit value of
CW1 selection OFF2
0
=0
=1
P90.16
CW1 function
selection (tens place)
Do not receive the
bit value of CW1
selection OFF2
&
OFF3 valid
1
0
=0
=1
&
Fault signal
OFF2 invalid
&
&
OFF3 invalid
&
Ready status
after power-on
OFF1 valid
1
Start with OFF1 rising
edge + RUN rising edge
0
=0
=1
Start with OFF1
rising edge
OFF1 rising edge
&
Ready to run
status
Running status
RUN rising edge
Jogging
command
Jogging
status
Pre-exciting
Pre-exciting
status
DC braking
status
DC braking
OFF1 rising edge
&
RUN high level
No heartbeat reference
Ramps
stop
OFF1 valid
RUN low level
OFF3 valid
Quick
stop
OFF2 valid Fault
Coast to
stop
Power-on
initialization
Receive the bit value of
CW1 selection OFF3
Do not receive the
bit value of CW1
selection OFF3
P90.16
CW1 function
selection (hundreds
place)
P90.16
CW1 function selection
(ones place)
5.5.17.2 Free programming of control word (CW) and state word (SW)
CW 1 programming can be completed through P90.00P90.15.
Function
code
Name
Description
Default
P90.00
Bit 00 selection of CW 1
032
0: Disable
1: OFF1 (0: ramps stop;
: ramps startup)
2: OFF2 (0: coast to stop; 1: disable)
3: OFF3 (0: quick stop; 1: disable)
4: RUN (0: ramps stop;
: ramps startup)
5: Ramps set value enable (0: disable; 1:
enable)
1
P90.01
Bit 01 selection of CW 1
2
P90.02
Bit 02 selection of CW 1
3
P90.03
Bit 03 selection of CW 1
4
P90.04
Bit 04 selection of CW 1
0
P90.05
Bit 05 selection of CW 1
0
P90.06
Bit 06 selection of CW 1
0
P90.07
Bit 07 selection of CW 1
6

Table of Contents

Related product manuals