EasyManua.ls Logo

Janome JR3300 series - I;O-MT Interface Details

Janome JR3300 series
128 pages
To Next Page IconTo Next Page
To Next Page IconTo Next Page
To Previous Page IconTo Previous Page
To Previous Page IconTo Previous Page
Loading...
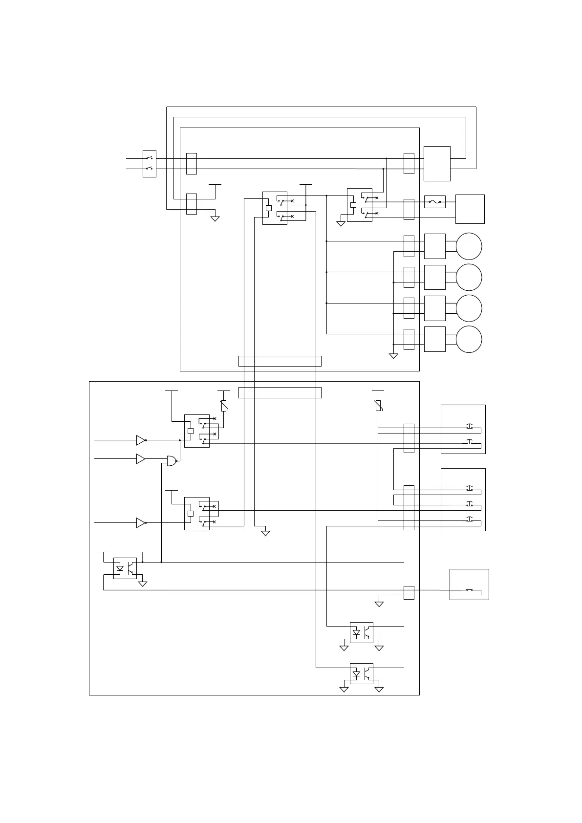
External Control (I/O / Fieldbus) 111 DESKTOP ROBOT JR3000
Safety Circuit
5V 24V
Software
EMG
P.C.B. B
24V
5V
Power ON
Signal
Detect Power ON
24V
Detect EMG
P.C.B. RY
SWITCH BOX
AC200-240V
50-60Hz
From Inlet
Outlet
24V
I/O-S
IO-S
Disable
3.3V
Detect IO-S
TEACHING PENDANT
RY2
RY1
RY2
RY1
PS1
24V
DVX
DVY
DVZ
DVR
MX
MY
MZ
MR
Emergency
switch
Emergency
switch
L
N
L
N
24V
0V
Fuse
CNAC2
CNAC1
CNDCIN
CNOUTL
CNX
CNY
CNZ
CNR
CNB
CNRY
CNSB
CNTP
CNIOS
Power
switch

Table of Contents

Related product manuals