EasyManua.ls Logo

JLG RT3369 - Fluid Operating Temperature Specifications

JLG RT3369
128 pages
Print Icon
To Next Page IconTo Next Page
To Next Page IconTo Next Page
To Previous Page IconTo Previous Page
To Previous Page IconTo Previous Page
Loading...
SECTION 6 - GENERAL SPECIFICATIONS AND OPERATOR MAINTENANCE
6-12 31217162
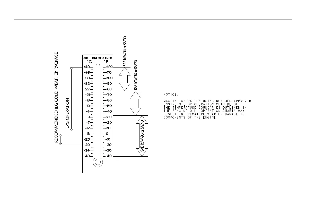
Fluid Operating Temperature Specifications
RT2669, RT3669 - Dual Fuel
1001204714_A

Table of Contents

Other manuals for JLG RT3369

Related product manuals