EasyManua.ls Logo

Klimor EVO -T - Page 148

Klimor EVO -T
Print Icon
To Next Page IconTo Next Page
To Next Page IconTo Next Page
To Previous Page IconTo Previous Page
To Previous Page IconTo Previous Page
Loading...
146
ШКАФЫ АВТОМАТИЧЕСКОГО УПРАВЛЕНИЯ ДЛЯ УСТАНОВОК EVO-T И EVO-T COMPACT
ТЕХНИКО-ЭКСПЛУАТАЦИОННАЯ ДОКУМЕНТАЦИЯ
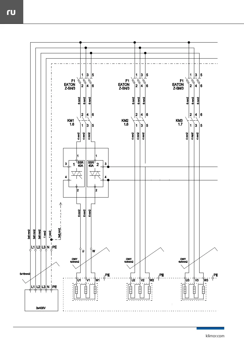
. 29  EH -M-36 kW/3


 
Max.12 
 
Max.12 
 
Max.12 
PE_ 
0,5mm2 (blue)
0,5mm2 (white)

Table of Contents