EasyManua.ls Logo

Klimor EVO -T - Page 38

Klimor EVO -T
Print Icon
To Next Page IconTo Next Page
To Next Page IconTo Next Page
To Previous Page IconTo Previous Page
To Previous Page IconTo Previous Page
Loading...
36
AUTAMATYKA STEROWNICE AUTOMATYKI DO CENTRAL EVO-T; EVO-T COMPACT
DOKUMENTACJA TECHNICZNO-RUCHOWA
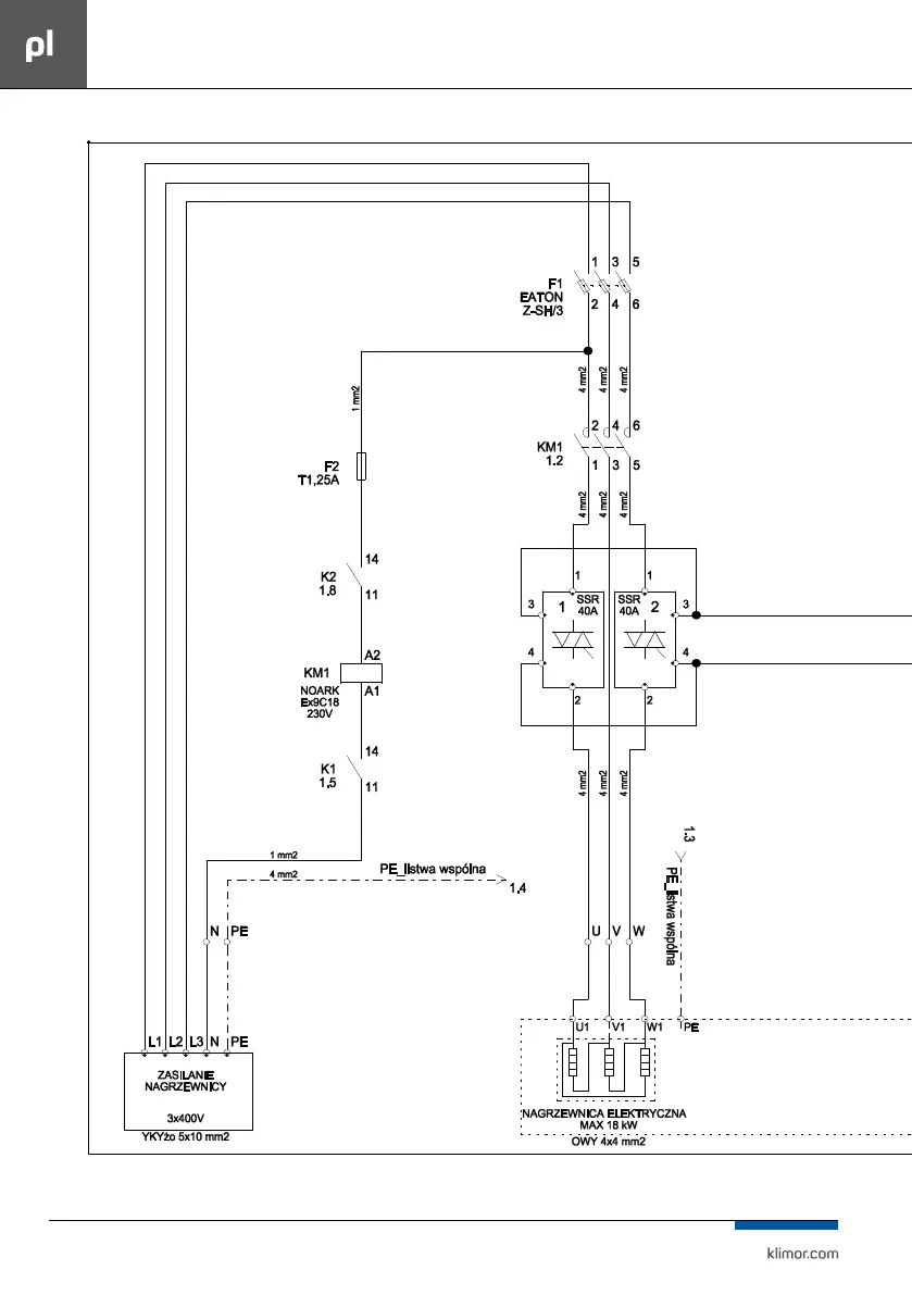
Rys Nr 28 Moduł EH-M-18kW/1

Table of Contents