EasyManua.ls Logo

Klimor EVO -T - Page 40

Klimor EVO -T
Print Icon
To Next Page IconTo Next Page
To Next Page IconTo Next Page
To Previous Page IconTo Previous Page
To Previous Page IconTo Previous Page
Loading...
38
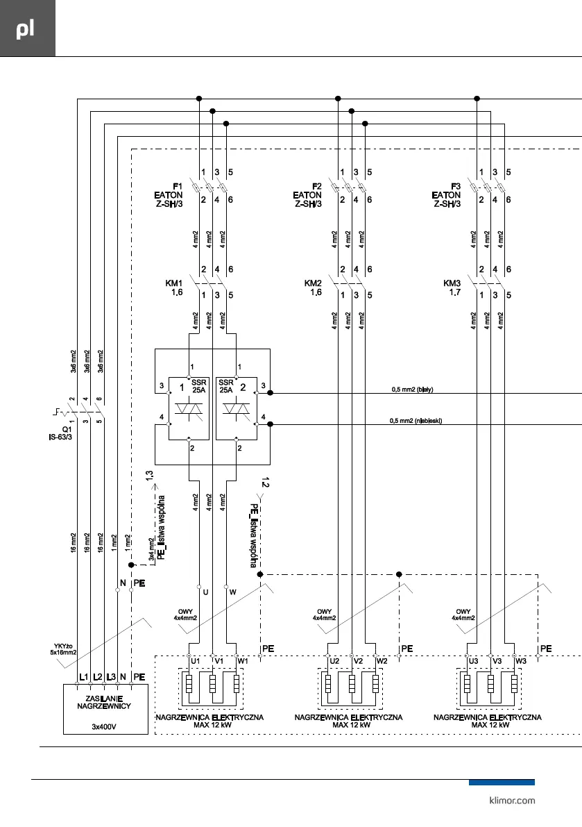
AUTAMATYKA STEROWNICE AUTOMATYKI DO CENTRAL EVO-T; EVO-T COMPACT
DOKUMENTACJA TECHNICZNO-RUCHOWA
RYS 44: Moduł EH-M-36kW/3
Rys Nr 29 Moduł EH-M-36kW/3

Table of Contents