EasyManua.ls Logo

Kohler RD 441 - Electrical System

Kohler RD 441
84 pages
Print Icon
To Next Page IconTo Next Page
To Next Page IconTo Next Page
To Previous Page IconTo Previous Page
To Previous Page IconTo Previous Page
Loading...
- 70 -
Workshop Manual KD 441_cod. 1.5302.865_2
nd
ed_ rev. 01.
9
172
173
171
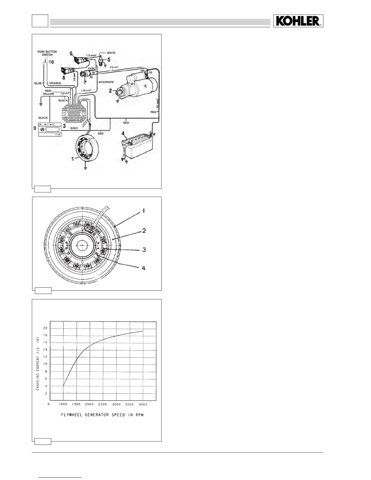
12V, 17A electric ignition diagram
Components:
1 Alternator
2 Starter motor
3 Voltage regulator
4 Battery
5 Oil pressure switch
6
Oil pressure light
7 Key switch
8 Battery charging light
9 Capacity bank
10 Push button switch
Note: The battery, which is not supplied, should have 12V nominal
voltage rating and a capacity of not less than 44 Ah / 210
Amp. of fast discharge intensity.
Alternator charger graph (12V, 17A)
This test has been carried out after thermal stabilization at 20°C for
2 minutes at 3000 r.p.m. with constant battery voltage of 12.5V.
The value of the power supplied with reference to the curve may
change in a range between +10% and -5%.
Alternator
Components:
1 Ring gear
2 Flywheel
3 Rotor
4 Stator
Thestatorxingscrewsmustbetightenedto1.2Nm.
Note: The rotor is made up by a plastoferrite ring which is xed to
ywheelwhilethestatorismountedonthecrankcase.
ELECTRICAL SYSTEM

Table of Contents

Related product manuals