EasyManua.ls Logo

Kollmorgen S7240

Default Icon
166 pages
To Next Page IconTo Next Page
To Next Page IconTo Next Page
To Previous Page IconTo Previous Page
To Previous Page IconTo Previous Page
Loading...
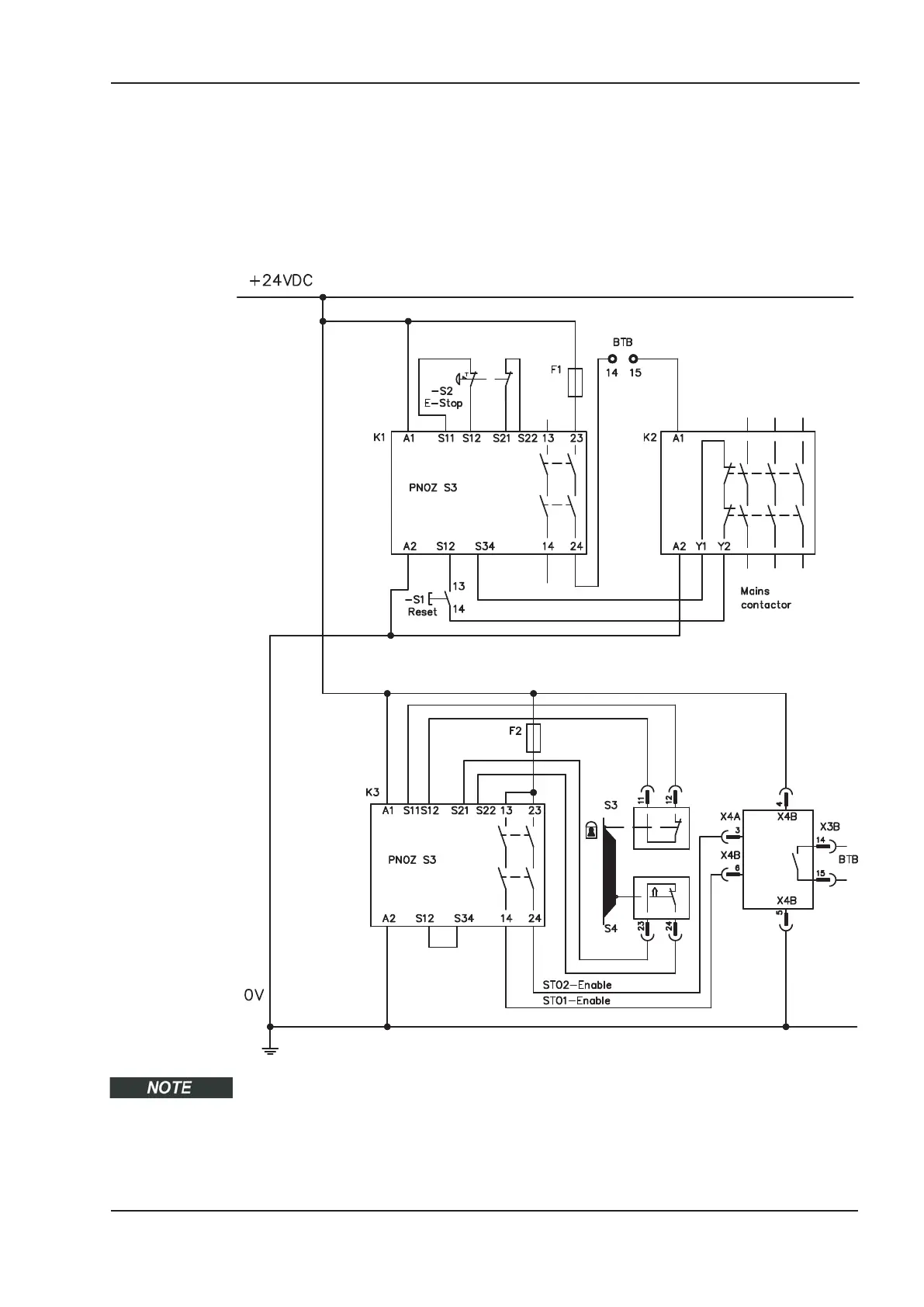
5.9.8.3 Control circuit dual channel SIL2/PLd (example)
The example shows a circuit diagram with one axis connected to an emergency stop cir
-
cuit. The STO of the drives is switched by a protective screen. A dual channel switch-off
is used. The safety switch gears used in the example are manufactured by Pilz and fulfill
at least the PLd acc. to ISO 13849-1. Further information to the safety switch gears is
available from Pilz. The use of safety switch gears of other manufacturers is possible, if
these also fulfill the SIL CL2 according to IEC 62061 and PLd according to ISO 13849-1.
Consider the wiring instructions on page 41.
S701x2-S724x2 Instructions Manual 47
Kollmorgen 07/2014 Technical description
Emergency-stop circuit
acc. to ISO 13849-1, PLe
Safety function STO, SIL CL2 / PLd, dual channel, 1 drive

Table of Contents

Related product manuals