EasyManua.ls Logo

Kollmorgen S7240

Default Icon
166 pages
To Next Page IconTo Next Page
To Next Page IconTo Next Page
To Previous Page IconTo Previous Page
To Previous Page IconTo Previous Page
Loading...
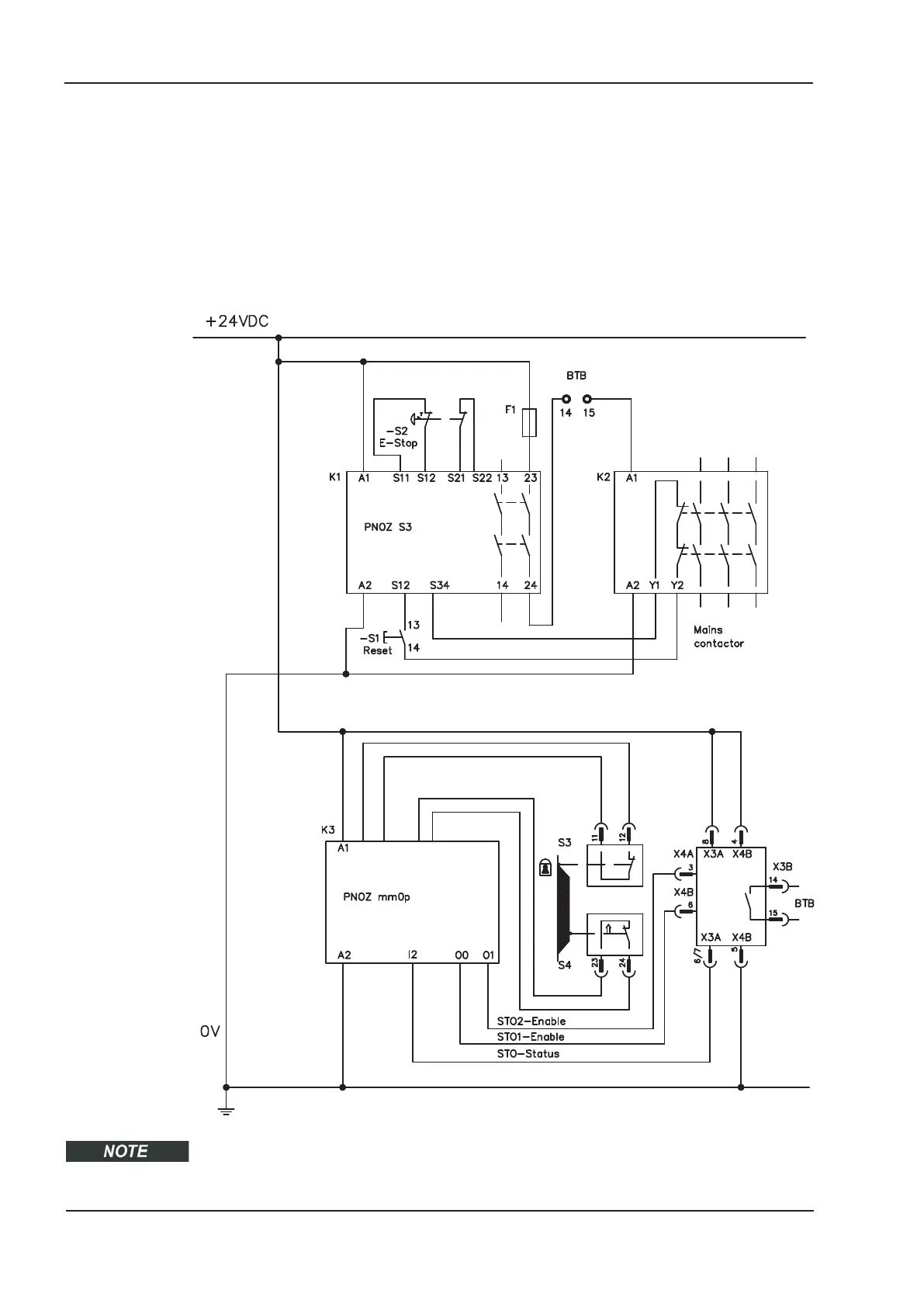
5.9.8.4 Control circuit dual channel SIL3/PLe (example)
The example shows a circuit diagram with one axis connected to an emergency stop cir
-
cuit. The STO of the drives is switched by a protective screen. A dual channel switch-off
is used. The safe switching of the pulse inhibitor must be tested periodically by analyzing
the feedback in the safety control.
The safety controller used in the example is manufactured by Pilz and fulfills at least the
PLe acc. to ISO 13849-1. Further information to the safety controllers are available from
Pilz. The use of safety controlelrs of other manufacturers is possible, if these also fulfill
the SIL CL3 according to IEC 62061 and PLe according to ISO 13849-1.
Consider the wiring instructions on page 41.
48 S701x2-S724x2 Instructions Manual
Technical description 07/2014 Kollmorgen
Emergency-stop circuit
acc. to ISO 13849-1, PLe
Safety function STO, SIL CL3 / PLe, dual channel, 1 drive

Table of Contents

Related product manuals